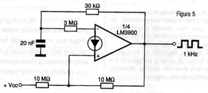
El circuito que se muestra en la figura 5 genera señales rectangulares basándose en un amplificador operacional de transconductancia (Norton) tipo LM3900, de National Semiconductor. Los valores de los componentes indicados para esta aplicación hacen que genere una señal de 1 kHz, pero se pueden cambiar siempre y cuando no se supere el límite del amplificador operacional que es de unos cientos de kilohertz. El circuito debe ser alimentado por una fuente simétrica de 6 a 12 V, pudiendo utilizarse los demás amplificadores operacionales del LM3900, que es cuádruple, para otro fin.




