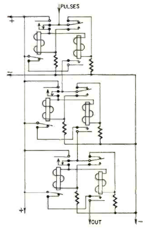
Este circuito utiliza los flip-flops del circuito anterior para implementar un contador binario de 3 dígitos. El circuito es de una Radio Electronics de octubre de 1961.

Este circuito utiliza los flip-flops del circuito anterior para implementar un contador binario de 3 dígitos. El circuito es de una Radio Electronics de octubre de 1961.
