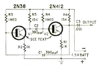
Este útil inyector de señal de dos transistores se encontró en la revista Radio Electronics de mayo de 1962. El circuito funciona con una sola batería de 1,5 V.

Este útil inyector de señal de dos transistores se encontró en la revista Radio Electronics de mayo de 1962. El circuito funciona con una sola batería de 1,5 V.
