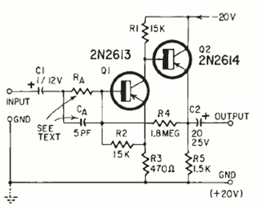
Este circuito es un adaptador de impedancia. El circuito es de Radio Electronics de abril de 1966. El circuito adapta una señal de alta impedancia para su aplicación en una línea de baja impedancia.

Este circuito es un adaptador de impedancia. El circuito es de Radio Electronics de abril de 1966. El circuito adapta una señal de alta impedancia para su aplicación en una línea de baja impedancia.
