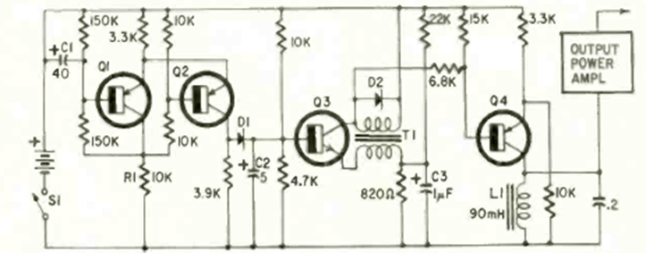
Esta sirena transistorizada se encontró en la sección de patentes de la revista Radio Electronics de marzo de 1968. El circuito utiliza componentes de la época y tiene una configuración muy elaborada.
Este circuito sirve para indicar si la tensión disponible en una red de energía es de 110 V o 220 V....
La señal de este transmisor simple, sin modulación, puede llegar a más de 1 km en el rango de VHF...
La frecuencia máxima de este oscilador, en el caso de 100 kHz, depende del funcionamiento utilizado. La...