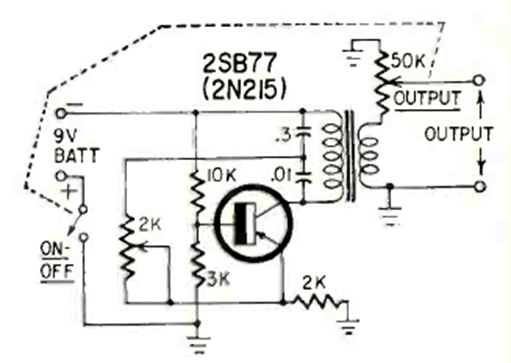
Este oscilador Hartley se puede utilizar en pruebas o como inyector de señal. El transformador es el tipo que se encontraba en las radios de transistores de la época. El circuito es de una Radio Electronics de abril de 1965.

Este oscilador Hartley se puede utilizar en pruebas o como inyector de señal. El transformador es el tipo que se encontraba en las radios de transistores de la época. El circuito es de una Radio Electronics de abril de 1965.
