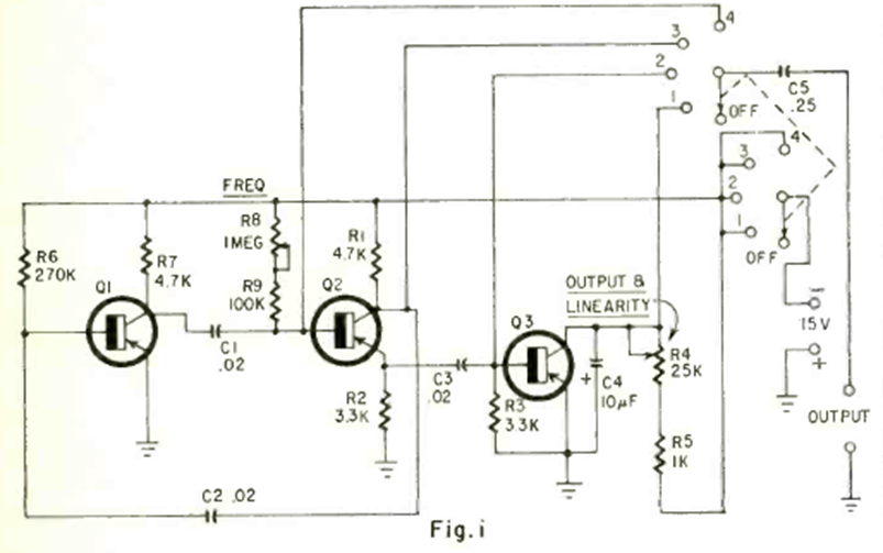
Encontramos este circuito en la revista Radio Electronics de enero de 1970. Los transistores son de propósito general y la frecuencia generada oscila entre 100 Hz y 1 kHz. Los componentes se pueden cambiar a otros rangos de frecuencia.
Este circuito sirve para indicar si la tensión disponible en una red de energía es de 110 V o 220 V....
La señal de este transmisor simple, sin modulación, puede llegar a más de 1 km en el rango de VHF...
La frecuencia máxima de este oscilador, en el caso de 100 kHz, depende del funcionamiento utilizado. La...