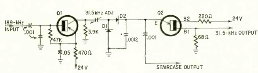
Encontramos este circuito generador de señales en forma de escalera en la revista Radio Electronics de agosto de 1966. El circuito utiliza un transistor unijuntura como base.
Este circuito sirve para indicar si la tensión disponible en una red de energía es de 110 V o 220 V....
La señal de este transmisor simple, sin modulación, puede llegar a más de 1 km en el rango de VHF...
La frecuencia máxima de este oscilador, en el caso de 100 kHz, depende del funcionamiento utilizado. La...