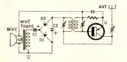
Esta interesante idea para quienes viven en lugares ruidosos es alimentar una radio a través del sonido captado por un micrófono. El circuito apareció en la revista Radio Electronics en abril de 1963 en la sección de Patentes.

Esta interesante idea para quienes viven en lugares ruidosos es alimentar una radio a través del sonido captado por un micrófono. El circuito apareció en la revista Radio Electronics en abril de 1963 en la sección de Patentes.
