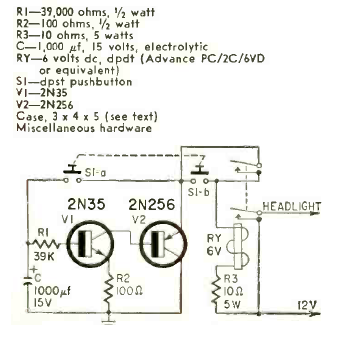
El propósito de este circuito es apagar una lámpara después de unos segundos o minutos dependiendo del capacitor. El circuito es de una revista Radio Electronics de septiembre de 1961.

El propósito de este circuito es apagar una lámpara después de unos segundos o minutos dependiendo del capacitor. El circuito es de una revista Radio Electronics de septiembre de 1961.
