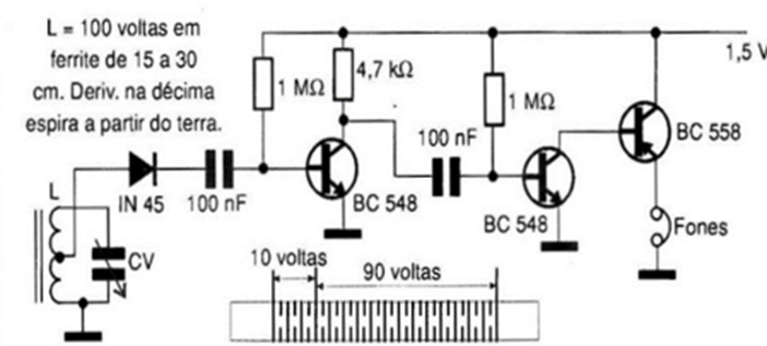
El circuito presentado es un receptor para la banda de onda media. Una vez más, los componentes son todos comunes: la bobina consta de 100 vueltas de alambre muy fino, enrolladas en una varilla de ferrita que mide entre 10 y 30 cm, con un casquillo en su décima vuelta. Observe cuidadosamente las conexiones del condensador variable y de la bobina en el circuito. Las pruebas se pueden realizar moviendo la toma del cable hacia arriba, para mejorar la sensibilidad, sin embargo, esto empeora la selectividad, pero se puede realizar según las necesidades del lector. Si es necesario, es posible añadir una antena, utilizando un capacitor de aproximadamente 10 a 100 pF en la centésima vuelta de la bobina, es decir, en el lado opuesto a tierra. En este circuito el cable de tierra no es necesario, pero en determinados casos mejora la recepción. Se pueden utilizar unos auriculares o incluso un pequeño altavoz, según el caso. El diodo de germanio acepta varios equivalentes.




