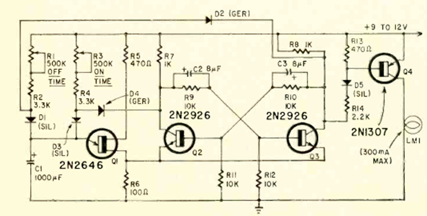
Este intermitente para lámparas incandescentes se encontró en la revista Radio Electronics de julio de 1968. La frecuencia y duración de los impulsos se ajustan en R1 y R3 dependiendo también de C1.
El circuito mostrado en la figura funciona de la siguiente manera: al conectar la alimentación...
El único material especial requerido para esta experiencia es un imán que puede ser aprovechado de viejos...
En la figura 1 presentamos un circuito extremadamente simple de una fuente de tensión regulada por...