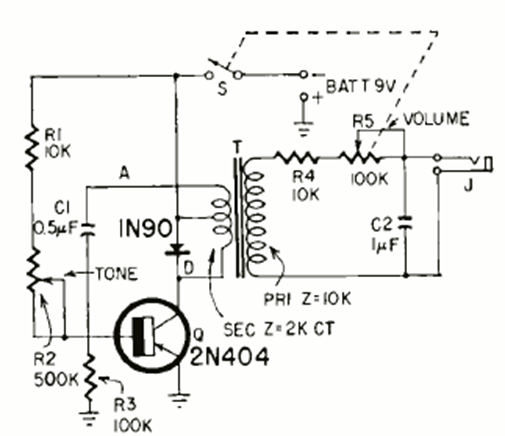
Este oscilador Hartley de 1 transistor genera una señal de audio que depende del condensador C1. El circuito es de una revista de Radio Electronics de agosto de 1969. Se puede utilizar cualquier transistor PNP de propósito general.

Este oscilador Hartley de 1 transistor genera una señal de audio que depende del condensador C1. El circuito es de una revista de Radio Electronics de agosto de 1969. Se puede utilizar cualquier transistor PNP de propósito general.
