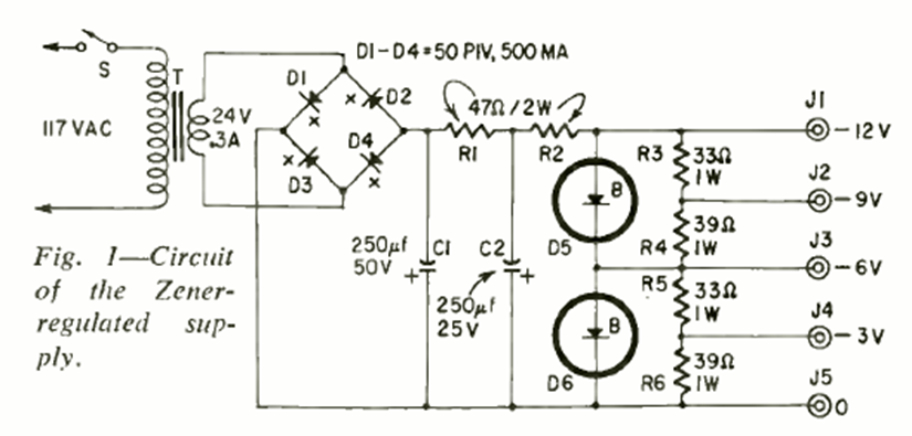
Esta fuente de alimentación de 4 voltajes mediante diodos zener tiene una corriente máxima recomendada de 25 mA. El circuito fue encontrado en la revista Radio Electronics de mayo de 1966.
El circuito presentado en la figura 1 tiene como base un 4093 y tiene enorme sensibilidad, dada la elevada...
Este proyecto didáctico puede ser utilizado en materias electivas y cursos técnicos como montaje...
Pruebe componentes y circuitos con un simple probador de continuidad o prueba de continuidad. Este circuito...