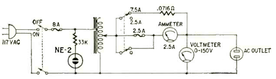
Esta es una fuente simple de tipo variac que se encuentra en la revista Radio Electronics de julio de 1962. La tensión y la corriente dependen del transformador.
El circuito presentado en la figura 1 tiene como base un 4093 y tiene enorme sensibilidad, dada la elevada...
Este proyecto didáctico puede ser utilizado en materias electivas y cursos técnicos como montaje...
Pruebe componentes y circuitos con un simple probador de continuidad o prueba de continuidad. Este circuito...