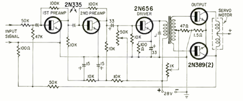
Este circuito es de una Radio Electronics de julio de 1965. El circuito utiliza componentes de la época controlando también un servo de la época. La fuente de alimentación es de 28 V.
El circuito presentado en la figura 1 tiene como base un 4093 y tiene enorme sensibilidad, dada la elevada...
Este proyecto didáctico puede ser utilizado en materias electivas y cursos técnicos como montaje...
Pruebe componentes y circuitos con un simple probador de continuidad o prueba de continuidad. Este circuito...