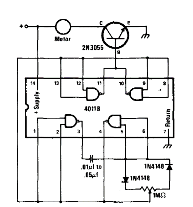
Este circuito PWM fue encontrado en una publicación americana de 1978. Consiste en un control simple que, en realidad, puede controlar motores de 3 a 12 V con corrientes de hasta aproximadamente 3 A. El transistor debe estar equipado con un radiador de calor, si la corriente del motor es superior a 1 A. El circuito se puede adaptar para funcionar como escudo de control. Se pueden utilizar transistores de menor corriente, dependiendo del motor, como BD135, TIP31, etc.




