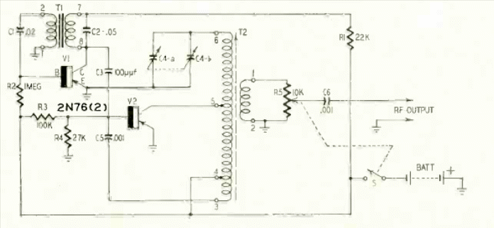
Este sencillo generador de señales con transistores fue publicado en la revista Radio Electronics en noviembre de 1957. El circuito genera señales determinadas por la bobina y la modulación por el transformador.
Este circuito produce el ruido del goteo de un grifo o una gotera cuando la luz deja de incidir en el...
Este amplificador utiliza un transistor Darlington cuya ganancia de corriente puede llegar a 10...
Con este sencillo circuito conectado a la entrada de un amplificador cualquiera, el amplificador se...