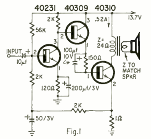
Este circuito con transistores de silicio se encontró en una Radio Electrónica de julio de 1965. El circuito de unos pocos watts utilizaba transistores RCA.

Este circuito con transistores de silicio se encontró en una Radio Electrónica de julio de 1965. El circuito de unos pocos watts utilizaba transistores RCA.
