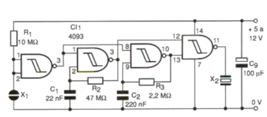
El circuito que se muestra en la figura 1 genera un tono intermitente en un transductor piezoeléctrico cuando se activa el sensor táctil. La frecuencia del tono viene dada básicamente por R2, que puede tener valores entre 10 k y 100 k ohmios. Será interesante determinar el valor que produce el mayor volumen de sonido en el transductor, ya que muchos de ellos tienen su máximo rendimiento en una frecuencia de resonancia alrededor de 4 kHz. El parpadeo depende de R3 y C2, que también se pueden cambiar en un buen rango de valores. El transductor cerámico proporciona una buena potencia de audio para aplicaciones alimentadas por pilas o pilas de 9V, ya que tiene un bajo consumo. Sin embargo, para aplicaciones donde se requiere mayor potencia, o donde el lector desea utilizar un altavoz, se pueden utilizar los pasos de potencia de la figura 2. Para una alimentación superior a 9 V, el transistor debe estar equipado con un radiador de calor. El sensor táctil consta de dos placas metálicas separadas que deben tocarse simultáneamente.






