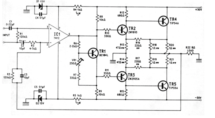
Este circuito se obtuvo de una publicación antigua de 1974, pero aún se puede ensamblar con algunos cambios de componentes. TR2 puede ser un BD135, TR1 un BC548 y TR3 un BD136. La fuente debe proporcionar una corriente de al menos 2 A y los transistores de salida deben estar equipados con radiadores de calor. Tenga en cuenta que la fuente es simétrica.




