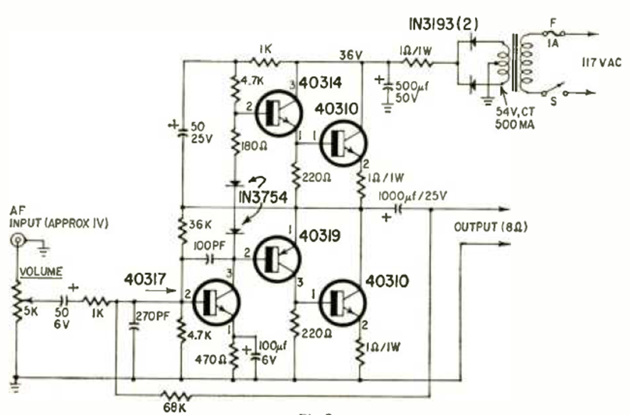
Este amplificador de transistores se publicó en la revista Radio Electronics en julio de 1965. Utilizaba transistores de silicio recién lanzados con excelente calidad de sonido.
Este circuito es de una documentación de Texas Instruments de 2016. En él tenemos el modo de...
En la figura tenemos una aplicación de un comparador de tensión en un circuito que dispara con el...
Con el circuito de shield mostrado es posible modular un LED para transmisión de datos a partir de una...