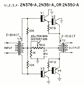
Esta etapa de potencia de 15 W se encontró en la revista Radio Electronics de agosto de 1959. Los transistores son el tipo de potencia de la época y la alimentación es de 18 V.

Esta etapa de potencia de 15 W se encontró en la revista Radio Electronics de agosto de 1959. Los transistores son el tipo de potencia de la época y la alimentación es de 18 V.
