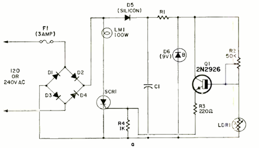
Este circuito apareció en la revista Radio Electronics en julio de 1969. El sensor es un LDR y el circuito es un control de onda completa. Los diodos deben estar de acuerdo con la potencia de la lámpara, así como con el SCR.
En la siguiente figura tenemos un circuito monoestable que encontramos en la revista Radio...
Este es el receptor para el CIR10248. Tiene como principal característica el hecho de usar sólo...
Sugerido por General Electric en una publicación de 1967, este circuito utiliza el D13T1, un SCR poco...