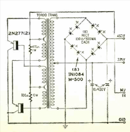
Este circuito inversor de tensión lo encontramos en una Radio Electronics de enero de 1958. No se proporcionó ninguna información sobre el devanado del transformador.

Este circuito inversor de tensión lo encontramos en una Radio Electronics de enero de 1958. No se proporcionó ninguna información sobre el devanado del transformador.
