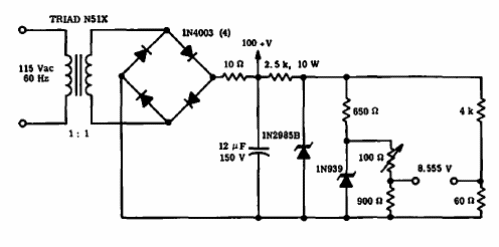
Este circuito se encontró en un manual de Motorola de 1967. Su propósito es proporcionar una tensión de referencia muy precisa de 0.555V.

Zeners en cascada
Este circuito se encontró en un manual de Motorola de 1967. Su propósito es proporcionar una tensión de referencia muy precisa de 0.555V.
