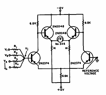
Encontrado en documentación estadounidense más antigua, este circuito puede monitorear 3 o más tensiones determinadas por resistores. Los componentes admiten equivalentes.

Monitor triple de tensión
Encontrado en documentación estadounidense más antigua, este circuito puede monitorear 3 o más tensiones determinadas por resistores. Los componentes admiten equivalentes.
