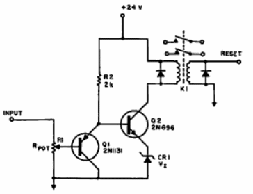
Este circuito a prueba de fallas se encontró en un diseño electrónico de 1967. Los transistores admiten equivalentes modernos. El potenciómetro ajusta el nivel de disparo.

Monitor de tensión
Este circuito a prueba de fallas se encontró en un diseño electrónico de 1967. Los transistores admiten equivalentes modernos. El potenciómetro ajusta el nivel de disparo.
