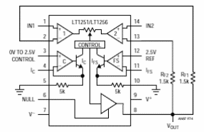
Este circuito para señales de video analógico se encontró en un manual de circuito integrado de Linear Technology. El circuito tiene un control de tensión y funciona con señales de hasta poco más de 10 MHz.

Fadder de video de doble entrada
Este circuito para señales de video analógico se encontró en un manual de circuito integrado de Linear Technology. El circuito tiene un control de tensión y funciona con señales de hasta poco más de 10 MHz.
