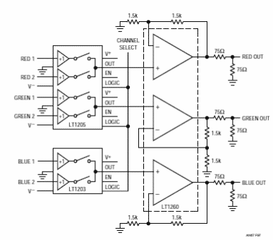
Este rápido circuito multiplexor RGB se encontró en un manual de Linear Technology de la década de 1990. Los componentes son de la época, pero el diseño es una referencia para versiones más modernas.

MUX RGB Rápido
Este rápido circuito multiplexor RGB se encontró en un manual de Linear Technology de la década de 1990. Los componentes son de la época, pero el diseño es una referencia para versiones más modernas.
