Este amplificador estéreo para el coche proporciona una excelente calidad de sonido con 12 w de potencia rms por canal. El circuito integrado es lineal y el montaje es simple.
Con 2 ohms de carga la potencia es de 12 W por canal, pero funciona con una carga de 4 ohms proporcionando una potencia de salida de 7 W por canal.
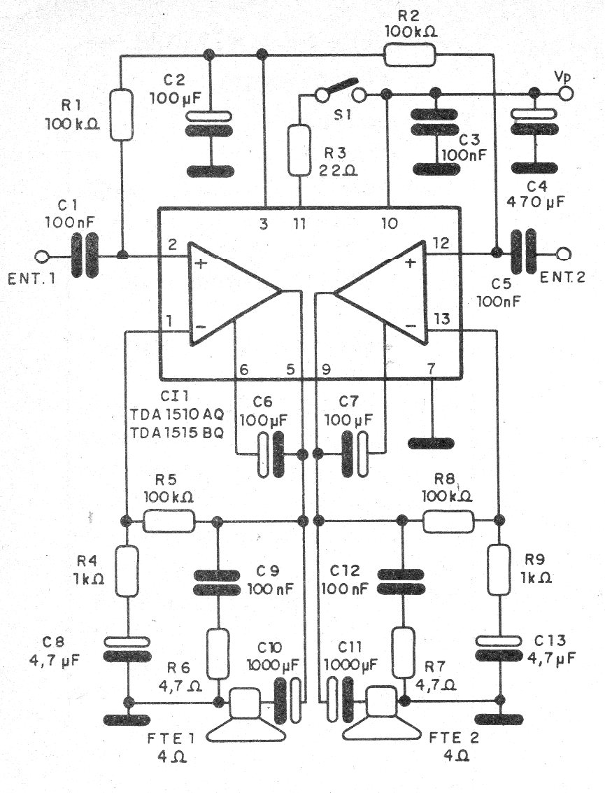
En la figura 1 tenemos el diagrama completo del amplificador.
La placa de circuito impreso para el montaje se muestra en la figura 2.
El disipador de calor debe tener al menos 4 x 12 cm y los capacitores electrolíticos son de 16 V o más. Los resistores son de 1/8 W con un 5% de tolerancia. La llave S1 es un control de mute.
Lista de material
CI-1 - TDA1510AQ o TDA1510BQ - circuito integrado
R1, R2, R5, R8 - 100 k ohms - resistores - marrón, negro, amarillo
R3 - 22 ohms - resistor - rojo, rojo, negro
R4, R9 - 1 k ohms - resistores - marrón, negro, rojo
R6, R7 - 4,7 ohms - resistores - amarillo, violeta, negro
C1, C3, C5, C9, C12 - 100 nF - capacitores de poliéster o cerámicos
C2, C6, C7 - 100 uF - capacitor electrolítico
C4 - 470 nF - capacitor de cerámica o poliéster
C8, C13 - 4,7 uF - capacitores electrolíticos
C10, C1 - 1 000 uF - electrolíticos
S1 - Interruptor simple
Varios:
Placa de circuito impreso, disipador de calor, hilos, soldadura, etc.





