Con este circuito es posible controlar un circuito con la acción de un pequeño imán. El sensor, un reed switch, puede quedar oculto para obtener el accionamiento sólo cuando se conoce el lugar en que está escondido.
Al acercar un pequeño imán de un sensor (reed-switch) oculto, podemos conectar un equipo, por ejemplo, accionar una lámpara, abrir una cerradura o activar una alarma. En la figura 1 mostramos cómo podemos ocultar el interruptor de accionamiento a través de una partición o incluso una pared fina.

En un equipo electrónico, él hace que solamente la persona que posea un imán (en un llavero) y sepa su ubicación pueda utilizarlo. Otra posibilidad interesante es en un sistema de accionamiento secreto de una alarma o sistema de aviso, donde el movimiento de un objeto hace que ocurra el accionamiento, conforme muestra la figura 2.
Al moverse levemente el objeto (porta plumas) sobre la mesa, el imán oculto se alinea con el sensor y el sistema de alerta es activado. Es claro que existen otras aplicaciones que se quedan por la imaginación del montador.
Como funciona
La base del circuito es uno, reed switch o interruptor de láminas. Este pequeño dispositivo puede ser utilizado como un sensor sensible de campos magnéticos, como se muestra en la figura 3.
En condiciones normales, las cuchillas se separan y el interruptor abierto.
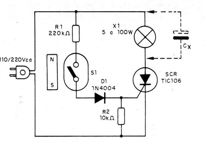
Cuando acercamos un imán, el campo del imán hace que las láminas del interruptor magnetizen por inducción y recostándose una en la otra cierren el circuito en el que está conectado. En nuestro caso, el reed-switch está conectado a la compuerta del SCR que controla la carga que, tanto puede ser una luz de aviso, una cigarra o un relé para disparar una alarma externa o control de un equipo.
En esta aplicación, usamos la red de energía para disparar el circuito, lo que permite usar lámparas de 110 V o 220 V, según sea el caso. El circuito no tiene traba, el imán debe mantenerse cerca del sensor para que la alarma se mantenga disparada.
Montaje
En la figura 4 damos el diagrama completo de la alarma.
El montaje, muy simple, sobre la base de un puente de terminales se muestra en la figura 5.

Observe que el circuito no tiene traba y es de media onda, lo que significa que no sirve para controlar aparatos electrónicos y también lámparas electrónicas. Para probar, basta con aproximar un imán del sensor y comprobar que la lámpara se enciende.
Para un sistema de alarma utilice como carga una cigarra de 110 V o 220 V, según la red local. Para obtener mayor potencia de una bombilla incandescente, conecte un capacitor de 2,2 a 10 uF x 300 V en paralelo.
Lista de material
SCR-TIC106 - cualquier sufijo
D1 - 1N4004 - diodo rectificador
X1 - reed switch
R1 - 220 k ohms x 1/8 W - resistor - rojo, rojo, amarillo
R2 - 10 k ohms x 1/8 W - resistor - marrón, negro, naranja
Varios:
Cable de fuerza, zócalo para la lámpara, disipador de calor para el SCR, hilos, soldadura, etc.






