Este artículo se basa en microamplificador del sitio, pudiendo ser desarrollado sobre la base de otros amplificadores de la misma potencia más modernos. En el sitio hay muchos de ellos.
Hay diferentes tipos de captadores de cristal o magnéticos que se pueden adaptar fácilmente en instrumentos musicales. Esta aplicación se indica en el caso de ensayos en los que no necesitamos potencias elevadas.
Para el caso de los captadores de cristal la señal obtenida tiene intensidad suficiente para ejecutar a todo volumen el micro-amplificador. En el caso de algunos captadores magnéticos de media y baja impedancia será necesario el uso de un preamplificador cuyos detalles de construcción también serán dados.
Antes de pasar directamente al montaje del micro-amplificador para esta versión veamos cómo funciona el captador magnético que es el más común:
En la figura 1 tenemos el modo de construcción de uno de esos captadores que consta de una bobina alrededor de un núcleo magnético, o sea, de un imán permanente.
Esta bobina se coloca bajo las cuerdas de la guitarra. Al tocar las cuerdas vibran cortando las líneas de fuerza del campo magnético del imán permanente produciéndose entonces una perturbación magnética que induce en la bobina una corriente que presenta las mismas características del sonido producido por las cuerdas que están vibrando. Esta corriente llevada a un amplificador puede ser ampliada y aplicada a un altavoz con la reproducción del sonido original.
En el caso de los captadores de cristal estos actúan como micrófonos comunes transformando en señales eléctricas las vibraciones de la propia caja de la guitarra.
Normalmente los captadores magnéticos poseen sensibilidad menor que los captadores de cristal no sólo en vista de su menor impedancia, sino también por la construcción física, en cuyo caso, para obtener potencia total del micro-amplificador tendremos que usar un preamplificador a su entrada. En la figura 2 tenemos el diagrama de un preamplificador que se puede utilizar para este propósito. Sus conexiones, como siempre deben ser cortas para evitar la captación de zumbidos.
MONTAJE:
Además de un micro-amplificador completo el lector necesitará el siguiente material para este montaje:
1 captador para guitarra o guitarra magnética o de cristal
1 potenciómetro de 100 k con llave
1 soporte para 6 o 8 pilas (alimentación de 9 o 12 v)
1 altavoz de 8 ohms pesado con altavoz
1 jack de conexión para el receptor
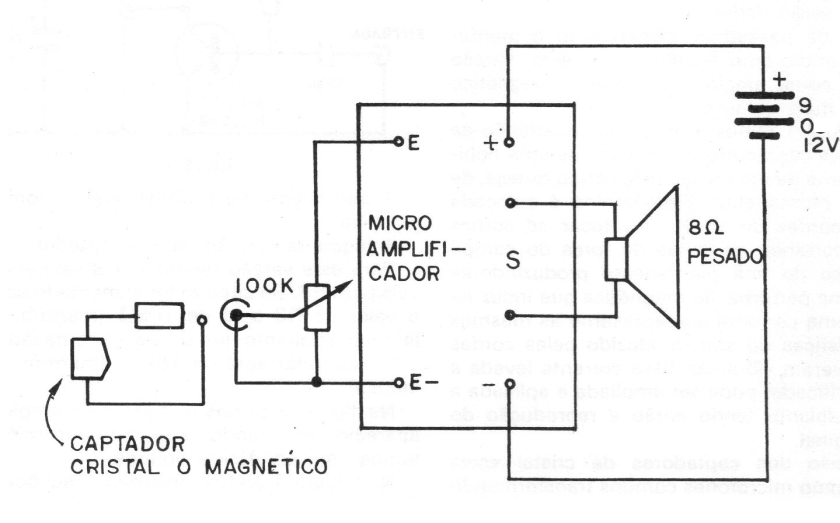
Para esta versión tendremos dos valores posibles para R3. Si el circuito se alimenta con 9 V, el valor de R3 será de 10 k (marrón, negro, naranja), mientras que si su alimentación es de 12V su valor será de 15k ohmios (marrón, verde, naranja). En la figura 3 tenemos el diagrama completo del aparato mostrando que en el potenciómetro tenemos un control de volumen.
En la figura 4 tenemos la disposición real de los componentes que es la misma tanto para la versión de 9 como 12 V. El lector que tenga dificultades en la interpretación de diagramas debe guiarse por esta figura en el montaje.
El cable de entrada que va al jack del captador debe ser del tipo blindado para evitar la captación de zumbidos.
El cable de conexión al altavoz no necesita ser blindado, pero en compensación no debe tener una longitud superior a los 5 metros, ya que la señal puede quedar sensiblemente atenuada.
Si el reproductor desea podrá montar el amplificador y su fuente de alimentación en el propio cuadro acústico obteniendo así un conjunto más compacto. De la misma manera, en lugar de una alimentación con pilas se puede hacer un borrador de pilas para 9 o 12 volts. Para el caso, el amplificador como consume una corriente del orden de 100 mA, debe ser alimentado por un convertidor capaz de suministrar esta corriente.
USO
Completa el montaje, verifique todas las conexiones y si todo está en orden, coloque las pilas en el soporte (o conecte el eliminador a la toma) y accione al potenciómetro abriendo todo su volumen:
Conecte el jack de entrada del captador y toque algunas notas en la guitarra verificando su reproducción. Si esta es excesivamente baja, se debe utilizar el preamplificador porque el captador en estas condiciones no puede excitar completamente el amplificador.







