Es un ruido continuo y alto, incluso irritante, exactamente como las cigarras de verdad, que cantan en las noches calientes. Este oscilador se puede utilizar para "perturbar" a sus amigos o simplemente como un efecto de sonido de sus grabaciones.
El circuito es simple, usando tres transistores, y su alimentación se puede hacer con dos o cuatro pilas pequeñas. Con esta alimentación el sonido ya es bastante bueno en materia de volumen, pero como siempre, existe la opción de la utilización del amplificador externo.
El lector podrá hacer el montaje de este aparato en placa de circuito impreso o en puente de terminales, según su disponibilidad.
FUNCIONAMIENTO
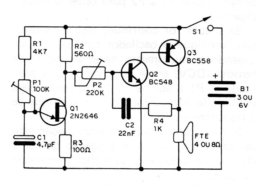
Lo que tenemos, en realidad, son dos osciladores en este aparato. El primero es un oscilador de relajación con transistores unijuntura, del tipo 2N2646, que hace la modulación del canto de la cigarra, o sea, lo hace tiritante.
La frecuencia de este oscilador se ajusta en P1 y depende del capacitor C1.
El segundo oscilador utiliza dos transistores complementarios, un PNP y otro NPN, con la realimentación dada por C2 y R4. Este capacitor C2 junto con el ajuste en P2 es que determinan el timbre del canto de la cigarra. El lector puede reducir aún más el capacitor C2 si desea un canto más agudo.
La salida del sonido se obtiene en un altavoz de 8 ohmios, que puede tener 5 o 10 cm de diámetro. La alimentación se realiza con una tensión de 3 o 6 V y el consumo de corriente es relativamente bajo, lo que garantiza una buena durabilidad para las pilas.
MONTAJE
El circuito completo de la cigarra se muestra en la figura 1.
En la figura 2 tenemos el montaje simple en puente de terminales.
En la figura 3 el montaje en placa de circuito impreso.
Los cuidados principales que se deben tomar durante el montaje son:
a) Observe la posición de la solapa del transistor Q1 al hacer su colocación, pues si hay Inversión el aparato no funciona. Sea rápido al soldar este componente.
b) Tenga cuidado de no confundir Q2 y Q3, que son diferentes. Sus posiciones también necesitan ser cuidadosamente observadas, pues al contrario la cigarra no cantará.
c) En la soldadura del capacitor C1, el lector necesita observar su polaridad, que está marcada en su envoltura.
d) En la colocación del otro capacitor (C2), el lector sólo necesita tener cuidado de que el exceso de calor no lo dañe.
e) Los resistores tienen sus valores dados por las bandas coloreadas, según la lista de material. Ten cuidado de no cambiarlos.
f) Para soldar los trimpots, el lector necesita eventualmente abrir un poco sus terminales (puente) o ensanchar los agujeros (placa). Tenga cuidado con los valores de estos componentes.
g) Si su montaje se realiza en puente de terminales, haga las interconexiones utilizando pedazos cortos de hilo común.
h) Complete el montaje con la conexión del altavoz, del soporte de pilas y del interruptor general S1. Para el soporte de pilas obedezca la polaridad. El hilo rojo corresponde al polo positivo.
Después de eso, sólo prueba el aparato.
PRUEBA Y USO
Compruebe el montaje y, si todo está en orden, coloque las pilas en el soporte.
Conecte el interruptor general y, al mismo tiempo, ajuste P1 y P2 para obtener el sonido de cigarra.
Si el sonido es continuo, sin la modulación, compruebe el oscilador con unijuntura.
Conectando el multímetro en la escala baja de tensiones (DCV) entre los polos de C1 y ajustando P1 la aguja del instrumento debe oscilar. Si esto no ocurre, asegúrese de que el transistor está bien.
Si no hay sonido, pero el unijuntura está funcionando, compruebe la conexión de Q2 y Q3 y su estado. Compruebe si el altavoz está funcionando.
La conexión a un amplificador se puede hacer a través de un capacitor de 100 nF, a partir del colector de Q3. Sin embargo, el altavoz no podrá ser retirado del circuito, ya que si el oscilador dejará de funcionar.
LISTA DE MATERIAL
Q1 - 2N2646 - transistores unijuntura
Q2 - BC548 o equivalente - transistores NPN
Q3 - BC558 o equivalente - transistores PNP
FTE - Altavoz de 4 u 8 ohmios
P1 - 100 k - trimpot
P2 - 220 k - trimpot
C1 - 4,7 uF x 6 V - capacitor electrolítico
C2 - 22 nF - capacitor de cerámica o de poliéster
R1 - 4k7 x 1/8 W - resistor (amarillo, violeta, rojo)
R2 - 560 R x 1/8 W - resistor (verde, azul, marrón)
R3 - 100 R x 1/8 W - resistor (marrón, negro, marrón)
R4 - 1 k x 1/8 W - resistor (marrón, negro, rojo)
S1 - interruptor simple
B1 - 3 o 6 V (2 o 4 pilas pequeñas)
Varios: soporte para 2 o 4 pilas, puente de terminales o placa de circuito impreso, hilos, soldadura, etc.






