Describimos un amplificador para el coche que proporciona una potencia de 24 Wrms en carga de 4 ohms, con excelente calidad de sonido. El circuito utiliza un único integrado que contiene todos los elementos para la amplificación de la señal.
Este amplificador de alta calidad se basa en el TDA1516BQ o TDA1518BQ de Philips, que puede ser utilizado en el coche, con alimentación hasta 14,4 V.
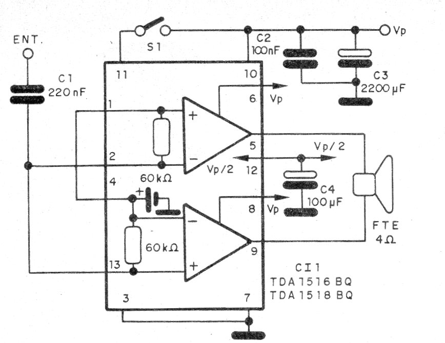
En la figura 1 tenemos el diagrama completo del amplificador.
La placa de circuito impreso para el montaje se muestra en la figura 2.

El disipador de calor del circuito integrado debe tener al menos 4 x 12 cm y ser fijado con la ayuda de pasta térmica. Los capacitores electrolíticos son para 16 V o más y el altavoz de buena calidad pesado con 4 ohms.
El interruptor S1 lleva el circuito al cambiar al stand-by de bajo consumo.
Lista de material
CI-1 - TDA1516BQ o TDA1518BQ - circuito integrado
C1 - 220 nF - capacitor de cerámica o poliéster
C2- 100 nF - capacitor cerámico
C3 - 2 200 uF - capacitor electrolítico
C4 - 100 uF - capacitor electrolítico
FTE - 4 ohms - altavoz pesado
S1 - Interruptor simple
Varios:
Placa de circuito impreso, disipador de calor, hilos, soldadura, etc.




