Este proyecto es antiguo, pero utiliza componentes que todavía son muy comunes en el mercado y por lo tanto fáciles de obtener. El circuito enciende las luces de un jardín, balcón o escaparate cuando se oscurece. El circuito, sin embargo, sólo funciona con lámparas incandescentes.
Por supuesto, muchas otras aplicaciones para este circuito pueden. ser imaginadas por el lector. Partiendo de la idea que podemos; accionar una lámpara cuando la iluminación sobre un elemento sensible caiga por debajo de un cierto nivel podemos:
a) hacer que la lámpara de la sala esté siempre encendida durante la noche y apagada durante el día, incluso cuando estemos fuera, dando la impresión de que hay alguien en casa;
b) tener un sistema automático de funcionamiento para las luces de la vitrina de una tienda, un sistema que las encienda tan pronto oscurezca y las apague al amanecer sin la necesidad de nuestra intervención;
c) tener un encendido automático de las luces de un jardín al anochecer y su apagado al amanecer, exactamente como hace la iluminación pública con las luces de la calle;
d) utilizar el sistema para demostrar en aulas (cursos de física, ciencias o electrónica el principio de funcionamiento de los elementos foto sensibles;
e) en cualquier aplicación en la que las variaciones del nivel de iluminación deba ser detectadas con una respuesta inmediata consistente en el encendido de una lámpara.
EL PROYECTO
Como todo proyecto destinado al principiante, una descripción detallada de su construcción, obtención de los componentes y principio de funcionamiento, así como posibles aplicaciones será dada. Con eso, pretendemos hacer que incluso los lectores que ninguna experiencia tengan en montajes electrónicos se animen a ejecutarlo.
En realidad, el número reducido de componentes, su bajo costo, no requerirá del lector más que algunos cruceros (1976), una buena dosis de atención a nuestras explicaciones y algunas herramientas básicas.
Con respecto a estas herramientas, para montajes electrónicos, citamos al soldador que no debe tener más de 30 W de disipación, buena soldadura, un alicate de puntas, un alicate de corte lateral y un destornillador.
Al desarrollar este circuito se trata de una configuración que fuera capaz de unir la simplicidad de operación a un desempeño que justificara su montaje práctico para diversas finalidades.
Sin embargo, como unir la simplicidad a un desempeño excelente a veces es imposible, tuvimos que sacrificar algunos puntos de nuestras exigencias para permitir al montador menos experimentado su ejecución.
Así, si bien este interruptor es bastante sensible para ser accionado incluso con la iluminación de un fósforo o una vela a unos metros de distancia, sólo podrá accionar lámparas incandescentes (o cargas resistivas), en una potencia total de un máximo de 100 vatios (red de 110 voltios) o 200 vatios (red de 220 voltios).
Los diodos de mayor corriente pueden utilizarse opcionalmente, en cuyo caso la potencia máxima sólo estará limitada por el SCR, es decir, 400 vatios para la red de 110 V y 800 W para la red de 220 V Sin embargo para estos cambios, el lector deberá tener cierta experiencia en electrónica.
Como el montaje tiene como objetivo una aplicación doméstica, creemos que 100 W (110 V) o 200 W (220 V) será más que suficiente para la mayoría de los casos; una solución para cargas mayores consiste en montar una unidad por cada 100 o 200 W de lámparas. Otra desventaja que se debe observar en este circuito es una pequeña oscilación que ocurre en el estado de transición del circuito. Cuando la transición de la iluminación es lenta, como en el caso de la puesta del sol, el circuito no dispara instantáneamente pero da algunos "parpadeos" antes de haber plena conducción.
La mayor ventaja de este circuito, además de la simplicidad, es el hecho de que permanece sin consumir corriente, incluso cuando está conectado, cuando la lámpara se encuentra apagada. Así, con la lámpara apagada el circuito, propiamente, no consume energía. Y, aun cuando se enciende, toda la energía es consumida por la lámpara (figura 1).
La descripción del montaje se realiza en función de la utilización de una barra de terminales como base de montaje para tomarla más didáctica; los lectores más hábiles pueden utilizar la técnica de la placa de cableado impresa, lo que hará que el dispositivo sea bastante compacto.
LOS COMPONENTES
Todos los componentes para este montaje se pueden encontrar en buenas casas de material electrónico, ya que son bastante comunes. El "corazón" del montaje es un SCR (diodo controlado de silicio). Este SCR es de un tipo que puede operar tanto en la red de 110 y 220 V, soportando corrientes de hasta 4 A.
Diversos son los tipos que se pueden utilizar en este montaje, siendo los indicados: C106, TIC106, y MCR106. Este SCR debe ser montado en un pequeño disipador de calor que podrá ser hecho con una hoja de aluminio doblada en U, como muestra la figura 2, con área de cerca de 100 cm2º.

Si el aparato se utiliza con fines demostrativos en los que la lámpara no exceda de 40 W, el disipador no será necesario.
Un segundo componente bastante importante y un poco más crítico, es el elemento sensible, denominado LDR o foto-resistor, que es un dispositivo cuya resistencia depende de la luz incidente y que realiza el disparo del circuito en función, de la luz que incide en él. Este LDR es un tipo normalmente utilizado en controles automáticos de brillo de algunos tipos de televisores y se puede encontrar con facilidad. En nuestro montaje original utilizamos un LDR del tipo B6 731 0302 (IBRAPE), pero equivalentes pueden ser usados, como el RPY-58 o cualquier otro (figura 3) ya que su característica podrá ser compensada por un correcto ajuste del control de sensibilidad.

Los demás componentes son bastante fáciles de obtener. Los diodos semiconductores, por ejemplo, son del tipo BY127 o 1N4004, pero cualquier diodo para 1 A 400 V sirve. Los resistores, así como el trimpot, donde se ajustará la sensibilidad del circuito no ofrecen dificultad en la adquisición. El condensador puede ser de aceite o poliéster con una tensión de aislamiento de al menos 400 V.
MONTAJE
Como dijimos, para facilitar el montador inexperto, describimos el montaje en un puente de terminales, con los componentes bien separados y todas las conexiones accesibles. Evidentemente, para los lectores dotados de mayor experiencia la sugerencia es la utilización de una placa de cableado impresa que no ofrecerá dificultades de diseño dado el reducido número de componentes de este circuito.
Una vez que posea todos los componentes y una vez determinado el tipo de aplicación a que se dará al circuito, el lector debe comenzar por cortar el puente de terminales que normalmente se adquiere en pedazos de medio metro o un metro para tener el mismo el número de terminales del dibujo (19 terminales) y, a continuación, por medio de dos tornillos, debe fijar dicho puente sobre una base de madera u otro material aislante (figura 4).
Después de examinar el diagrama (figura 5) mientras el soldador se calienta podrá pasar a la elaboración del circuito.
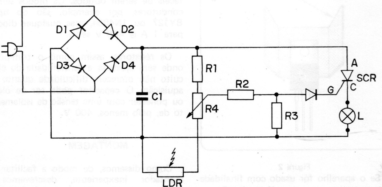
Comience por soldar los 4 diodos (D1 a D4) observando cuidadosamente su polaridad (figura 6) ya que cualquier inversión puede causar su quema en el momento de la conexión.

La identificación de los polos de los diodos se realiza a través del anillo alrededor de su cuerpo que indica el lado del cátodo o aún por el propio símbolo del componente grabado en su cuerpo. A continuación, cuidadosamente, con un alicate de puntas separe los terminales del SCR de modo que puedan ser soldados en cada terminal correspondiente del puente.
La posición del SCR es importante ya que el lado biselado debe ser del lado derecho del puente. La soldadura debe ser rápida para que el calor excesivo no dañe este componente. A continuación, solde el quinto diodo (D5) en la figura del SCR observando atentamente, en este caso también, la posición de ese componente por el símbolo en ellos grabado o por el anillo.
Pasa ahora a la soldadura de los resistores, del condensador y del trimpot. Los resistores deben ser identificados por sus anillos de colores. Para el principiante, damos los colores de los tres primeros anillos y los valores correspondientes:
1 M - marrón, negro, verde
100 k - marrón, negro, amarillo
10 k - marrón, negro, naranja
A continuación, pase a las conexiones externas.
Si el montaje es experimental, haga la conexión correspondiente al zócalo de la lámpara que deberá ser accionada por el circuito. Si se utiliza para la alimentación de la lámpara del balcón o una lámpara distante, deje dos pedazos de hilo sueltos correspondientes a esa conexión para hacer al final del montaje la conexión a los cables de esa lámpara.
Otra conexión externa que se realiza es la correspondiente al cable de alimentación. Si el montaje es experimental, utilice un pedazo de dos metros de longitud, del tipo que se puede adquirir en cualquier casa de material electrónico. Si el circuito se utiliza para la alimentación de una lámpara en una instalación empotrada, deje sólo un par de hilos sueltos para su posterior conexión a la red de alimentación.
La última conexión externa es la correspondiente al elemento sensible, es decir, el LDR. La longitud del cable que se va a utilizar dependerá del lugar en el que debe instalarse el LDR. Observamos que el LDR no debe recibir directamente la iluminación de la lámpara que él mismo accionará, pues al contrario, habrá una retroalimentación de 'luz que provocará una desagradable oscilación del circuito.
El LDR debe colocarse, por ejemplo, en un pequeño tubo, para recibir iluminación ambiental de una sola dirección (figura 7).

En nuestro montaje experimental, usamos un par de hilos de medio metro de longitud soldando sus extremos directamente a las terminales del LDR.
Debemos observar que las terminales. del LDR, según el tipo, son bastante delicados, debiendo la soldadura ser hecha con el máximo cuidado, usando un alicate de puntas para sostener sus terminales y así disipar el calor.
RELACIÓN DE COMPONENTES
SCR - TIC106, MCR106 o C106
D1 a D5 - BY127 o 1N4004
C1 - 0,01 uF x 400 V (apacitor de aceite o poliéster)
R1 - 1 M © 1/4 W
R2 - 100 k © 1/4 W
R3 - 10 k © 1/4 W
R4 - 470 k - trimpot
LDR - Ver texto
OPERACIÓN DEL CIRCUITO
Una vez comprobadas las conexiones, constatando que no hay ningún error, coloque una lámpara en el zócalo correspondiente, aleje el LDR de la lámpara de modo que no pueda recibir su iluminación, sino sólo la de la luz ambiente y conecte el dispositivo a la red de alimentación (toma).
A continuación, ajuste el trimpot con un destornillador a un punto en el que la lámpara se apague con la iluminación ambiental. Pasa ahora la mano delante del LDR interrumpiendo su iluminación.
La lámpara debe encenderse automáticamente. Si esto no ocurre, pruebe un nuevo ajuste del LDR. El ajuste del LDR es función de la iluminación ambiental siempre que se produzca un cambio de ubicación o de condiciones de funcionamiento para el aparato.
COMO FUNCIONA
El principio de funcionamiento del SCR ya es conocido del lector, pues ya tuvimos oportunidad de analizarlo en otras ocasiones en que usamos este componente.
Básicamente podemos recordar que se trata de un dispositivo que deja la corriente pasar cuando su terminal de compresión es excitado y que la conducción de la corriente por ese componente se hace en un único sentido ya que se trata de un diodo (figura 8) .

Cuando se alimenta de corriente alterna o cuando se alimenta con una corriente continua pulsante, como la obtenida en este circuito por los 4 diodos, sin filtración, el diodo deja de conducir tan pronto como el estímulo de la conducción deje de ocurrir.
En la alimentación con corriente continua pura el SCR continúa conduciendo incluso después de cesado el estímulo. En este circuito operamos con corriente continua, pero no siendo esta filtrada, el SCR deja de conducir tan pronto el estímulo en su conducto deje de ocurrir.
Ahora bien, el LDR es un dispositivo que presenta una resistencia elevada cuando se encuentra en la oscuridad y que presenta una resistencia muy baja cuando se ilumina. El LDR es, por lo tanto, un dispositivo cuya resistencia varía con la luz.
Conectado a la compuerta del SCR puede controlar este dispositivo en función de la intensidad de la luz ambiente, ligándolo cuando su resistencia aumenta.
Nota: el artículo es de 1976, mas con pequeños cambios de componentes se pode montar en nuestros días.






