Este artículo es de 1976, pero todavía bastante actual. Se trata de un control convencional con SCR para motores universales. Las mejoras se pueden hacer como el cambio de D1 por un diac.
Como esta sección se destina específicamente al "hobista" no dotado de conocimientos previos o profundos en electrónica, damos una descripción suficientemente detallada de los procesos de montaje, identificación y obtención de los componentes.
Con eso, incluso aquellos que nunca realizaron ningún montaje relacionado con la electrónica, podrán "aventurarse" a la ejecución de este proyecto con gran probabilidad de éxito. Por otro lado, el mismo circuito puede ser usado también en otras aplicaciones interesantes y no sólo en el control de velocidad de taladros.
En realidad, podremos usarlo para controlar la velocidad de cualquier electrodoméstico de pequeña potencia que esté dotado de motor universal como, por ejemplo:
- Ventiladores
- Licuadoras
- Batideras de pastel
- Barberos eléctricos
NOTA: Nunca utilizar en motores de inducción o motores trifásicos. Este dispositivo sólo sirve para motores con "cepillos".
Los componentes usados son en número suficientemente reducido para no causar confusiones al montador inexperto y, al mismo tiempo, su bajo costo y fácil obtención hace el proyecto accesible incluso a los dotados de pocos recursos.
LIMITACIONES Y VENTAJAS DEL PROYECTO
Evidentemente, como se trata de un controlador de velocidad destinado al montador no experimentado, la preocupación por realizar un proyecto simple prevaleció en relación con la obtención de efectos compatibles con un desempeño profesional.
Con ello, el circuito presenta algunas desventajas, si bien las ventajas son en número e importancia suficientes que justifican su montaje.
Entre las ventajas destacamos las siguientes:
1) posibilita un control bastante eficiente de la velocidad entre el 5% y el 90% de la velocidad máxima de un taladro con motor universal;
2) no disipa, prácticamente, ninguna potencia a cualquier velocidad para la que se ajuste;
3) puede controlar los taladros con motores universales de hasta 1/2 HP, lo que corresponde a una potencia de hasta cerca de 400 vatios.
Sus desventajas, admitidas en función de la economía y simplicidad del proyecto:
1) sensibilidad a las variaciones de la tensión de la red en las bajas velocidades, lo que hace relativamente difícil el mantenimiento de velocidades constantes por debajo del 10% de la máxima;
2) control de apenas una fase de la alimentación, lo que se traduce en la entrega de una potencia menor que la máxima, incluso a la mayor velocidad.
Sin embargo, en relación a los trabajos más delicados en que la baja rotación es realmente necesaria y que el par máximo excesivo del taladro puede ser hasta peligroso a la integridad de la pieza trabajada, una reducción de la potencia puede ser bastante conveniente.
EL CONTROL Y SU FUNCIONAMIENTO BASICO
La base de este circuito es un SCR, diodo controlado de silicio (figura 1) que determina la porción de la potencia entregada al taladro, no alterando, sin embargo, la tensión, sino la duración del semiconductor de la corriente alterna que lo alimenta (figura 2) ).

Esto significa, en términos técnicos, que no hay disipación de energía en el control y que el torque no es muy afectado en toda la gama de rotación.
El uso del SCR, sin embargo, presenta como mayor ventaja la posibilidad del dispositivo de control (reóstato o potenciómetro) ser de pequeña potencia, lo que facilita bastante su montaje.
La parte de la energía aplicada al motor del taladro se puede controlar en cada semitclo de la alimentación de corriente alterna, dadas las propiedades del SCR de actuar como un interruptor sincronizado por la frecuencia de la red alimentación, que permite dosificar, por pulsos de la misma frecuencia, la alimentación del motor del taladro.
Al analizar el funcionamiento del SCR en el taladro, lo que haremos más adelante, el lector dotado de mayor interés por la electrónica podrá comprender cómo ese dispositivo actúa en este circuito.
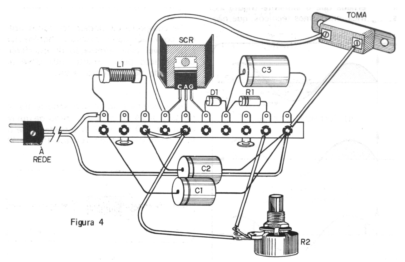
COMPONENTES Y MONTAJE
Los componentes pueden ser todos obtenidos con facilidad, excepto la bobina L1 responsable por la eliminación de interferencias generadas por el circuito, que debe ser construida por el propio lector.
El número de espiras ("vueltas") de hilo no es fijo. Se debe enrollar suficiente hilo para cubrir la resistencia.
El SCR es del tipo plástico para corriente de 4 ampères aproximadamente y su tensión debe ser de 200 volts si su taladro es para 110 volts y 400 V si su taladro es para 220 V.
Este SCR, según su procedencia, puede ser encontrado con las siguientes denominaciones: MCR106, TIC106 o C106. Los demás componentes son todos de fácil obtención, siendo encontrados prácticamente, en cualquier casa de material electrónico.
Con respecto al montaje, como el número de componentes es reducido, optamos por su soldadura en un puente de terminales, como muestra la figura 4.
Todo el conjunto debe ser alojado en una caja de aluminio o chapa de hierro con el control del lado de afuera. La toma para la conexión del taladro se puede colocar en la propia caja como sugiere la figura 5.
El montador debe tomar el máximo cuidado para que el terminal de fijación del puente no sea usado en conexión alguna y que ningún componente no aislado se apoya en el metal, lo que podría implicar en cortocircuitos peligrosos.
En realidad, sugerimos el aumento de un fusible compatible con la corriente del taladro (de 3 a 5 ampères) para proteger el SCR en caso de "cortos" accidentales. El SCR, dada la pequeña cantidad de calor generado en su funcionamiento, debe estar dotado de un radiador de calor que consiste en una placa de aluminio de aproximadamente 3 x 6 cm doblada en U como muestra la figura 6.
Para la soldadura de los componentes utilice un soldador de 30 vatios y una soldadura de buena calidad (60/40). Las conexiones entre los componentes se pueden hacer con un cable flexible común o rígido aislado con cubierta plástica.
Nota: no olvide afeitar las puntas del hilo esmaltado de la bobina antes de soldarla a los terminales del resistor. Con la fina capa de esmalte que lo recubre la soldadura no "tomará", no hay conexión eléctrica.
Interferencia
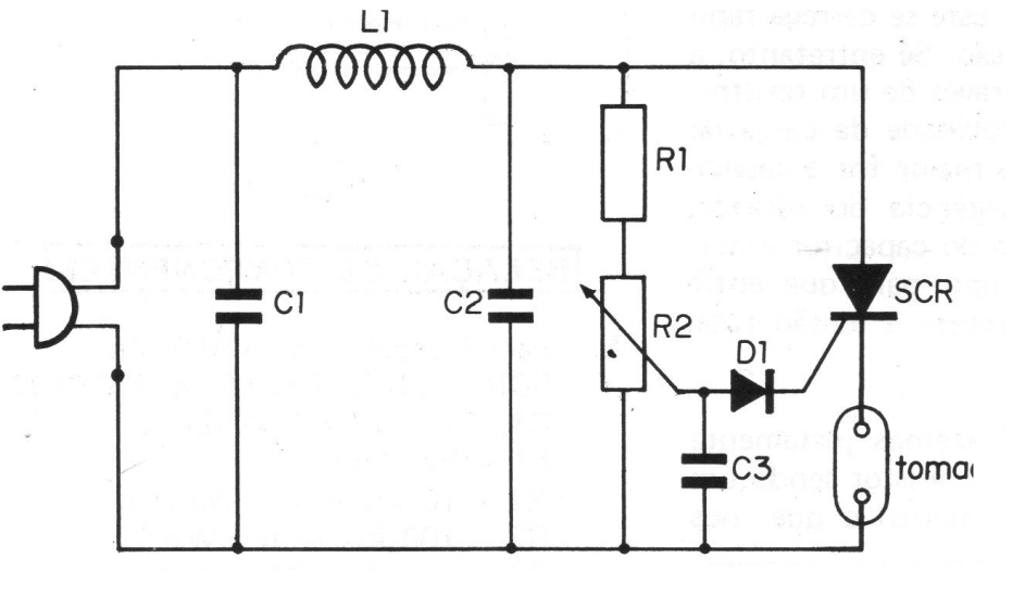
La conmutación rápida del SCR en el control de velocidad provoca impulsos eléctricos responsables de interferencias en receptores de radio cercanos, que se manifiesta en forma de uno ruido similar al del motor. Esta interferencia es justamente eliminada por el filtro que consiste en la bobina y en los dos capacitores a ella asociados C1e C2 (ver diagrama figura 7).
Su función es evitar que los impulsos de interferencia se propaguen a través de la red de alimentación, perjudicando aparatos cercanos.
El SCR
El SCR, diodo controlado de silicio, consiste en un semiconductor de 3 terminales (anodo, cátodo y conducto). Cuando no hay tensión alguna en su terminal de conducción).
Cuando no hay tensión alguna en su terminal de comporta, el SCR no conduce la corriente que se intenta establecer entre el ánodo y el cátodo. El SCR se comporta, por lo tanto, como un interruptor abierto.
Cuando, sin embargo, una tensión de determinada polaridad se aplica al ánodo y al cátodo, y en el comportamiento del SCR hay una tensión de excitación, el SCR conduce intensamente y así permanece hasta que la alimentación sea cortada. Con ello el SCR se comporta como un interruptor que puede ser accionado por una tensión externa.
Nuestro control funciona de la siguiente manera.
Se hace que la tensión que dispara el SCR y que permite la conducción de cada semiciclo positivo de la corriente de alimentación (el SCR no conduce a los semiciclos negativos en esta configuración) se retrase en relación a ese semiciclo, de modo que sólo una parte sea conducida y con lo que se controla la potencia suministrada al motor.
Cuanto mayor sea el retraso de la tensión de disparo, menor será la potencia entregada al motor. Con eso podemos controlarla entre el 5% y el 90% de su máximo, aproximadamente. Para retrasar la tensión de disparo utilizamos un artificio que consiste en el circuito RC en serie.
Cuando una tensión se aplica directamente a un condensador éste se carga rápidamente con esa tensión. Si, sin embargo, la tensión se aplica a través de una resistencia, la resistencia limita la velocidad de la carga de tal modo que, cuanto mayor sea la capacitancia y mayor la resistencia del resistor, más lenta será la carga del condensador y, por lo tanto, tiempo para que entre sus terminales encontremos la tensión total aplicada (figura 8).
En nuestro circuito hacemos justamente eso: R1 y R2 forman el resistor siendo uno de ellos variable (potenciómetro) lo que nos permite controlar el tiempo de carga y, por lo tanto, el retraso de la tensión; C3 es el capacitor.
Sus valores se calcularon de modo que su tiempo de carga está exactamente dentro de los correspondientes a la duración del ciclo de alimentación con lo que se obtienen los efectos deseados. Como usamos un circuito de retardo sólo, decimos que se trata de un control de "simple constante de tiempo".
El diodo conectado entre ese circuito de tiempo y el SCR impide que los pulsos negativos sean aplicados al SCR cuando se encuentra polarizado inversamente, pues al contrario él "se quemaría". Las formas de onda del control se muestran en la figura 9.
Lista de material
A) Para taladros de 110 volts:
SCR - C106, TIC106 o MCR106
C1, C2 - 0,1 uF - 450 V
L1 - Ver texto
R1 - 10 kohms 0,5 W
R2 - 100 kohms 0,5 W
C3 - 0,5 uF - 100 W
D1 - BY127 o 1N4004
B) Para furadeiras de 220 Volts:
SCR - C106, TIC106 ou MCR106
C1, C2 - 0,1,uF - 450 V
L1 - Ver texto
R1 - 10 kohms 0,5 Watt
R2 - 150 k - potenciômetro linear
C3 – 0,5 uF x100 V
D1 - BY127 ou 1N4004











