Con este circuito se puede controlar un motor, lámpara o calentador, remotamente por medio de un circuito de baja tensión completamente aislado del circuito a ser controlado, obteniéndose con ello un sistema bastante seguro.
Este circuito es sugerido cuando se desea controlar, por medio de un interruptor remoto, un circuito de cierta potencia, como por ejemplo un motor eléctrico de hasta 1 HP, un calentador o cualquier otro dispositivo, pero por medio de una línea de baja tensión que no ofrezca ningún peligro de choque y que pueda utilizar interruptores de pequeña corriente.
Entre estos interruptores citamos la posibilidad de utilizar reed-switches o relés para circuitos transistorizados, además de interruptores comunes del tipo miniatura para pequeñas corrientes.
Los componentes son todos comunes en nuestro mercado electrónico y el lector apto para interpretar diagramas y diseñar una disposición para el circuito en una barra de terminales o placa de circuito impreso no tendrá dificultad para su ejecución.
COMO FUNCIONA
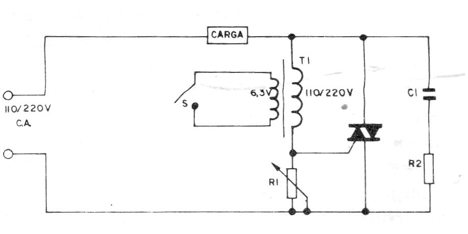
Con el interruptor abierto, el transformador funciona prácticamente sin carga, manifestándose en el circuito de conducción del triac toda su alta impedancia. Con ello, los relojes suministrados por la propia red de alimentación son bastante retardados en cada semiciclo, no ocurriendo el disparo del triac.
Con el cierre del interruptor, el secundario del transformador se ve cortocircuitado, desapareciendo el efecto de alta impedancia del primario de ese componente. El reloj no sufre prácticamente retraso alguno y el triac se dispara justo al principio del semiconductor de alimentación.
La carga recibe entonces su alimentación casi plena, funcionando normalmente (figura 1).
El potenciómetro R1 permite obtener el punto ideal de disparo del triac en función de las características de disparo de ese componente y de las características del devanado primario del transformador usado.
El resistor R2 y el condensador C1 en paralelo con el triac tienen por función amortiguar los transitorios de conmutación generados por el triac, mejorando así el rendimiento del circuito, principalmente con cargas inductivas.
MATERIAL
Todo el material se puede encontrar fácilmente en el mercado de componentes electrónicos. El triac puede ser elegido de acuerdo con la potencia de la carga que debe ser controlada, no debiendo, sin embargo, su corriente exceder a 8 A.
En el caso de una operación en el límite de su potencia se debe utilizar un disipador de calor. Para el montaje, oriente por las figuras 2 y 3, donde damos el diagrama y una disposición en puente de terminales.
El transformador es del tipo utilizado en fuentes de alimentación para transistores con un primario de 110 o 220 voltios de acuerdo a la red local y un secundario de baja tensión de 3, 4, 5 o 6,3 Voltios para una corriente entre 100 y 500 mA.
El potenciómetro recomendado es del tipo de hilo con una disipación de por lo menos 5 W.
Los demás componentes no ofrecen dificultades de obtención. El aparato, una vez montado puede ser instalado en una caja apropiada, pudiendo extender el cable de control remoto hasta una distancia máxima del orden de 20 metros. Este cable no necesita ser blindado.
LISTA DE MATERIAL
Triac de 4 a 8 A - RCA 40901 o equivalente
T1 - Transformador de fuerza - ver texto
R1 - potenciómetro de hilo de 100 ohms
R2 - 56 ohms x 0,5 W - resistor de carbón
C1 - 0,1 pF x 450 volts - condensador
S1 - Interruptor simple
Varios: puente de terminales, cable de alimentación, hilos, soldadura, etc.
Nota. Otras versiones de este artículo se pueden encontrar en el sitio. Esta es una de las más antiguas, habiendo sido escrita en 1977.







