Este excelente amplificador estéreo proporciona una potencia de 12 W por canal en carga de 2 ohms siendo indicado para aplicaciones automotrices. Vea en este artículo cómo hacer su montaje.
Los circuitos integrados TDA1516BQ y TDA1518BQ de Philips son algo antiguos, pero todavía se utilizan en amplificadores de uso automotriz. Son amplificadores lineales con excelente calidad de sonido y costo accesible, pudiendo ser usados en public address, refuerzo de graves, etc.
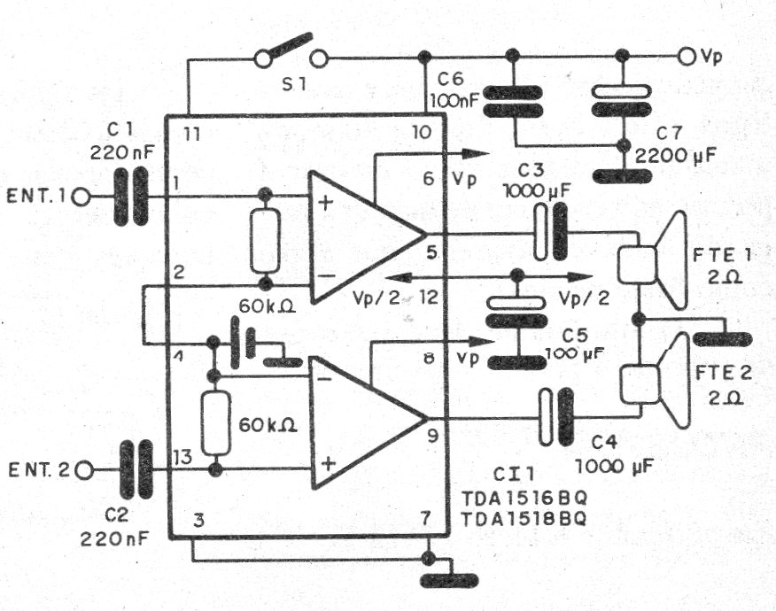
En la figura 1 tenemos el diagrama completo del amplificador.
En la figura 2 tenemos la placa de circuito impreso para el montaje.

El disipador de calor del circuito integrado debe tener al menos 4 x 12 cm y se debe utilizar pasta térmica en su fijación. Los capacitores electrolíticos son para 16 V o más de tensión de trabajo.
Lista de material
CI-1 - TDA1516BQ o TDA1518BQ - circuito integrado
C1, C2 - 220 nF - capacitores cerámicos o poliéster
C3, C4 - 1 000 uF - capacitores electrolíticos
C5, C6 - 100 nF - capacitores cerámicos o poliéster
C7 - 2 200 uF - capacitor electrolítico
S1 - Interruptor simple
FTE1, FTE2 - 2 ohms - altavoces pesados
Varios:
Placa de circuito impreso, disipador de calor, hilos, soldadura, etc.




