El ruido blanco y el ruido rosa se utilizan como señales de prueba para diversos tipos de equipos. Los sistemas de telecomunicaciones, equipos de audio, líneas de transmisión, sistemas de sonido se pueden probar usando este tipo de señales. En algunos casos, la inyección de ruido en un sistema es importante para obtener una mayor inelegibilidad de las señales de voz transmitidas. En este artículo enseñamos cómo montar un simple generador de ruido blanco y rosa usando un diodo como fuente generadora.
El ruido blanco se caracteriza por tener una intensidad media constante a lo largo de su espectro. En otras palabras, las señales se distribuyen aleatoriamente en el espectro, con intensidad constante. La figura 1 muestra el espectro de un ruido blanco.
El ruido rosa, por otro, se caracteriza por tener una amplitud decreciente con la frecuencia en un determinado intervalo del espectro, como muestra la figura 2.
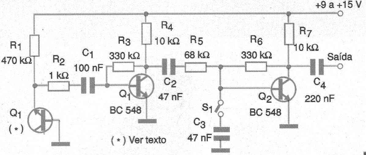
Podemos generar ruido blanco y rosa aprovechando el ruido térmico de la unión de un diodo común polarizado en el sentido inverso o de la unión semiconductora entre el emisor y la base de un transistor común. Es justamente ese el principio de funcionamiento del circuito mostrado en la figura 3.
En esta figura tenemos entonces el circuito completo de nuestro generador de ruido blanco / rosa que utiliza sólo componentes discretos pudiendo ser implementado con facilidad, sin la necesidad de circuitos integrados especiales.
Con una tensión suficientemente elevada aplicada a la unión de un transistor, como se muestra en la figura, podemos tener una señal de ruido que, amplificado por dos transistores, se vuelve suficientemente intenso para la mayoría de las aplicaciones prácticas.
Para generar un ruido rosa basta agregar al circuito un condensador que funciona como un filtro pasa bajas, para atenuar la parte del espectro del ruido que está en las frecuencias más altas. Basta entonces cerrar S1 para que en lugar de ruido blanco pasemos a tener ruido rosa en la salida del circuito.
Entre las aplicaciones posibles para este circuito está la prueba de equipos de telecomunicaciones, equipos de audio e incluso en laboratorios de psicología experimental donde la relajación puede ser obtenida con su amplificación y reproducción.
El circuito debe ser alimentado con una tensión continua muy filtrada en el rango de 9 a 15 V. Una batería de 9 V es una solución más apropiada, ya que permite que el aparato sea totalmente portátil. Para la reproducción en un altavoz o la obtención de la señal con mayor intensidad, se debe utilizar un amplificador externo.
Para generar el ruido cualquier transistor NPN de uso general como BC548 puede ser empleado. El montaje se puede realizar en una matriz de contactos, placa de circuito impreso común o cualquier otra tecnología que el lector tenga acceso.
Observamos que el cable de salida para el amplificador debe ser blindado para que el ronco de la red de energía de 60 Hz no se superponga al ruido blanco generado.
LISTA DE MATERIAL
Q1, Q2, Q3 - BC548 o equivalente - transistores NPN de uso general
R1 - 470 k ohms x 1/8 W - resistor
R2 - 1 k ohms x 1/8 W - resistor
R3, R6 - 330 k ohms x 1/8 W - resistor
R4, R7 - 10 k ohms x 1/8 W - resistor
R5 - 68 k ohms x 1/8 W - resistor
C1 - 100 nF - capacitor de cerámica o poliéster
C2, C3 - 47 nF - capacitor de cerámica o poliéster
C4 - 220 nF – capacitor de cerámica o poliéster
S1 - Interruptor simple
Varios: placa de circuito impreso, caja para montaje, fuente de alimentación, hilos, soldadura, etc.
Resonancia estocástica
Los sistemas naturales están sujetos a variaciones de forma aleatoria, que se denominan "ruidos". El resultado de estas fluctuaciones es aumentar el desorden (entropía) de modo que el comportamiento pasa a ser tanto más imprevisible cuanto mayor sea el ruido. Sin embargo, existen interacciones entre el ruido y las características no lineales del sistema hacen que ocurra un aumento del orden en lugar de disminución. Un caso importante en que esto ocurre es el de la denominada resonancia estocástica, que fue propuesto por investigadores hace varios años para explicar diversos fenómenos naturales. Otro ejemplo ocurre en las telecomunicaciones. Podemos explicar esto de una manera relativamente simple: si tenemos una señal de voz cuya intensidad es insuficiente para que sea percibido, podemos inyectar ruido en esa misma señal. El ruido aleatoriamente aumenta la intensidad de la señal de voz que se vuelve audible. Este fenómeno se aprovecha en diversas tecnologías de telecomunicaciones.






