¿Qué tipo de influencia puede ejercer en un ser vivo (humano o no) un campo magnético intenso en una frecuencia alrededor de 40 kHz? Los artículos en diversas publicaciones técnicas (y no técnicas) escritos por investigadores de todo tipo, abordan entre otras influencias la cura de problemas nerviosos, el crecimiento intenso de plantas e incluso modificaciones de comportamientos de microorganismos. Incluso el crecimiento del cabello ha sido reportado por investigadores en Italia!
Realmente, las investigaciones sobre el tema aún no pueden ser consideradas concluyentes, de modo que un estudio realizado con método y paciencia, ciertamente sería de utilidad para el mundo científico. Así, para los lectores interesados, describimos en este artículo un generador de campo magnético intenso, en el rango de frecuencias alrededor de 40 kHz, y que puede ser utilizado como base para un interesante trabajo de investigación.
En el libro "La vida secreta de las plantas" de Peter Tompkins y Christopher Bird (Círculo del Libro - 1976), son relatadas, de forma sorprendente, las investigaciones que muestran que, entre otras cosas, los tomates parecen "responder" a campos magnéticos intensos generando así frutos mayores en menor tiempo. Estos mismos relatos hablan de diversas especies de plantas que "responden" a campos magnéticos de las más diversas formas, presentan entonces modificaciones en su comportamiento, ya sea con el crecimiento acelerado, la producción de frutos diferentes, etc.
De la misma manera, parece haber una cierta influencia de los campos magnéticos en microorganismos e incluso insectos que podrían "sentir" esos campos, desde que poseídos de determinadas características, teniendo por ello su comportamiento modificado.
Muchas investigaciones también se realizaron basándose en campos estáticos producidos por simples imanes permanentes, fijados en lugares en que estarían los seres analizados como, por ejemplo, en vasos y cubas, como muestra la figura 1.

Sin embargo, tales imanes tienen características que limitan bastante las investigaciones. Estos imanes producen campos invariables o estáticos, normalmente de pequeña intensidad, lo que significa que su influencia no puede ser considerada de las más importantes.
Teniendo en cuenta que la electrónica nos proporciona recursos que permiten una investigación mucho más avanzada, y hasta con resultados más profundos, ¿por qué no aprovecharla?
Lo que proponemos con este artículo es la construcción de un generador electrónico de campos magnéticos intensos que opera en un rango de frecuencias en que parece haber una concentración de resultados acentuados en los seres vivos. Describimos el montaje de un potente generador de campos magnéticos variables y que genera señales en torno a 40 kHz o 40 000 vibraciones por segundo. Este campo, que invierte su modo de actuación a esta velocidad, puede servir para importantes investigaciones en el campo biológico, como por ejemplo:
* Verificación de la respuesta de plantas en relación al crecimiento y producción de frutos.
* Influencia en insectos, incluso reproducción (mosca de las frutas, por ejemplo).
* Influencia en peces e incluso pequeños mamíferos.
* Influencia en palomas correos (de modo que el sistema de orientación de una paloma, que es magnético quedaría afectado después de quedarse algún tiempo en una jaula en que este campo estuviera presente?) (Según se constata que las palomas poseen magnetita en células de orientación que podrían servir como "brújulas naturales" de su sistema nervioso.)
Simple de montar, este generador puede ser fácilmente manejado por cualquier estudiante o incluso investigador aficionado, no habiendo ningún peligro en su uso.
COMO FUNCIONA
Una corriente eléctrica que circule por las espiras de una bobina crea un campo magnético. La intensidad de este campo magnético es proporcional al número de espiras (vueltas) de la bobina ya la intensidad de la corriente circulante.
Con una bobina constando de algunos cientos de espiras y una corriente de 100 mA (100 milésimas de amperio), que puede ser fácilmente obtenida de pilas comunes, podemos crear un campo magnético que, en el área de su concentración, es más intenso que el campo magnético de la tierra.
Como deseamos un campo que invierte de polaridad 40 mil veces por segundo, es decir, de cierta frecuencia elevada, necesitamos alimentar esta bobina con una corriente generada por un circuito electrónico.
En nuestro proyecto, este circuito consiste en un oscilador (astable) que tiene como base un circuito integrado 555. El circuito integrado 555 simplifica el proyecto, pues posee todos los elementos necesarios para la elaboración de un buen oscilador, con pocos componentes externos. Así, todo lo que necesitamos más son de algunos resistores y capacitores que determinar su frecuencia de operación.
Los resistores R1 y R2 junto con C1 determinan la frecuencia de este circuito, llevando a un valor de alrededor de 40 kHz. La señal generada, una corriente en la frecuencia citada, se obtiene en el pino 3 del circuito integrado. Sin embargo, en este punto, su intensidad es insuficiente para la finalidad deseada. Así, tenemos como elemento adicional, un transistor amplificador que alimenta entonces la bobina L1.
En la bobina circulará entonces la fuerte corriente que producirá el campo magnético deseado.
La alimentación del circuito se realiza con pilas comunes, pero para uso prolongado en investigaciones de laboratorio se puede utilizar una fuente externa.
MONTAJE
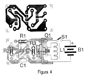
En la figura 3 tenemos el diagrama completo del generador de campo.

El montaje, basado en una placa de circuito impreso, se muestra en la figura 4.

Para experimentos de laboratorio que involucran un montaje provisional, sugerimos la realización del montaje con base en una matriz de contactos, como muestra la figura 5.

En esta matriz, los componentes sólo se encajan, pudiendo ser utilizados en otros montajes y facilitando cambios para modificar los efectos deseados. El circuito integrado es del tipo 555, debiendo observarse su posición en la conexión. Los resistores son de 1/8 W o mayores.
El capacitor, de poliéster o cerámico, puede venir con las marcas 2200 o 222. El transistor Q1 deberá estar dotado de un radiador de calor. Pero, el elemento principal del proyecto es la bobina que debe tener forma según el tipo de experiencia que se pretende realizar.
Para un campo concentrado en una pequeña superficie de manera más intensa, tenemos el montaje mostrado en la figura 6.

En un clavo, o incluso un pequeño bastón de ferrita de hasta 1 cm de diámetro y hasta 20 cm de largo, enrollamos de 400 a 1000 vueltas de alambre esmaltado fino (26 a 30 AWG).
Para envolver un espécimen en un campo menos concentrado tenemos el montaje de la figura 7.

Enrollamos entonces de 50 a 500 espiras de hilo 28 AWG o incluso más fino, en el lugar en que debe ser concentrado el campo, por ejemplo, alrededor de un vaso. En la figura 6 en que mostramos esta bobina destacamos también la disposición de las líneas de fuerza del campo magnético generado.
Usando un carrete aprovechado de un viejo transformador podemos concentrar las líneas de fuerza del campo producido de la forma mostrada en la figura 8.

Para obtener un campo razonable, aproveche el secundario de baja tensión de un transformador de 5 a 12V con corriente de 100 a 500 mA o enrole de 100 a 1 000 vueltas de cable 28 AWG.
PRUEBA Y USO
Compruebe el montaje y, si todo está en orden, encienda la unidad. El ligero calentamiento del transistor indica que el campo está siendo generado. Este campo puede ser fácilmente detectado si se conecta en las cercanías un radito de ondas medias fuera de estación.
Pequeños objetos de metales férreos pueden ser atraídos hacia el interior de la bobina, indicando la presencia de un campo. Recordamos, sin embargo, que este campo es alternado de modo que no tendrá efecto sensible sobre un imán.
Una vez comprobado el funcionamiento de la unidad es sólo programar las experiencias.
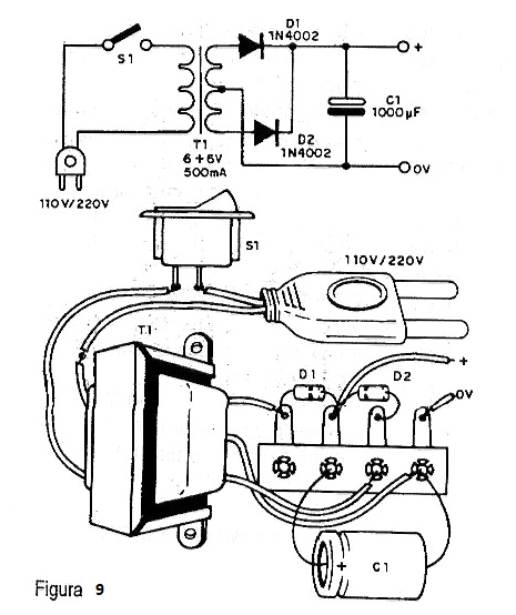
Para que el aparato se encienda durante largos intervalos de tiempo, utilice un eliminador de pilas de 6V x 500 mA. Compruebe sin embargo si el transistor no se calienta demasiado, aumentando el tamaño de su radiador, si es necesario.
Otra posibilidad para uso prolongado, sin necesidad de pilas, consiste en el uso de la fuente de alimentación mostrada en la figura 9.
Para esta fuente, el transformador debe tener bobinado primario conforme la tensión de la red de energía y secundaria de 6 + 6 V con 500 mA de corriente. Los diodos son del tipo 1N4002 o equivalentes y el capacitor electrolítico de 1 000 uF debe tener tensión de trabajo entre 12 y 25 V.
LISTA DE MATERIAL
Semiconductores
CI-1 - 555 - circuito integrado (LM555, uA555, etc.)
Q1 - TIP31 - transistores NPN de potencia
Resistores: (1/8 W, 5%)
R1 - 4,7 k ohmios
R2 - 10 k ohms
Capacitores:
C1 - 2,2 nF - cerámico o poliéster
Varios:
B1 - 6 o 9 V - 4 o 6 pilas medianas o grandes (o una fuente de alimentación para uso prolongado)
S1 - Interruptor simple
L1 - Bobina de campo - ver texto
Placa de circuito impreso o matriz de contactos, soporte de pilas o material para la fuente, material para la bobina, radiador de calor para el transistor, hilos esmaltados para la bobina, hilos, soldadura, etc.
CURIOSIDAD
Investigaciones recientes realizadas en Inglaterra mostraron que campos magnéticos aplicados en lugares de fracturas aceleran la calcificación de las personas con huesos quebrados, disminuyendo su tiempo de recuperación completa.
Otra investigación revela que algunas personas parecen tener una cierta "sensibilidad" a los campos magnéticos detectando su presencia o orientación, en la revelación de que el ser humano, tal vez en épocas antiguas ha tenido esa capacidad que fue perdida con el desuso. Se cree que los pueblos nómadas tenían la calidad de orientarse por los campos magnéticos de la tierra, como "vocación natural" lo que se perdió con el desuso.
En Francia, se constató que en nuestro cerebro existen células dotadas de magnetita (imán natural) que podrían servir como brújulas integradas a las células vivas dándoles la propiedad de detectar campos!
Conforme el lector percibe, tal vez exista mucho más cosas entre el cielo, la tierra y los campos magnéticos de lo que pueda suponer nuestra vana filosofía! .



