En muchas escuelas técnicas de segundo grado los montajes que involucran circuitos lógicos digitales todavía se hacen en torno a la tecnología TTL y microcontroladores como el Arduino. En este artículo enfocamos un simple módulo de recuento hasta 99, que puede ser utilizado como base para diversos proyectos escolares envolviendo la tecnología TTL, y que puede ser fácilmente expandido para mayor número de dígitos, según la finalidad.
Los integrados TTL, además de baratos, son fáciles de trabajar y lo suficientemente robustos para soportar el tratamiento dado por alumnos menos experimentados. Así, es justo que en los proyectos que impliquen la lógica digital estos componentes se utilicen prácticamente en todas las escuelas.
Uno de los puntos culminantes del estudio de la tecnología digital se produce cuando los trabajos finales deben ser presentados, y invariablemente necesitan un contador, decodificador y, por supuesto, displays.
Los contadores son indispensables y forman la estructura que ciertamente más influye en la presentación final del aparato, dado el hecho de contar con los más diversos circuitos de procesamiento, formando así frecuencímetros, contadores de objetos, tacómetros, capacímetros o cualesquiera otros dispositivos similares, que se encienden ", normalmente con la luz roja pura.
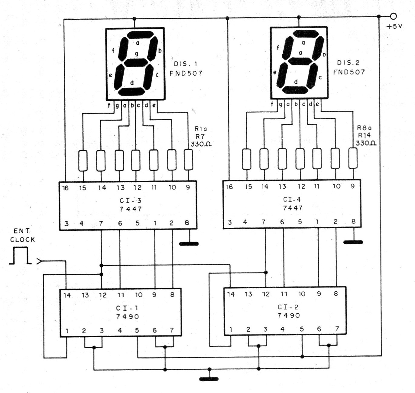
El módulo que presentamos en este artículo es el básico de la mayoría de los proyectos TTL y utiliza dos displays de ánodo común que pueden ser de cualquier tipo o tamaño, según la aplicación que se tenga en mente. La placa de circuito se dará en función de uno de los tipos más comunes en nuestro mercado, pero nada impide que se realicen adaptaciones.
Se utilizan dos contadores del tipo 7490, dos decodificadores con latch del tipo 7447 y dos displays de anodo común, permitiendo así un recuento de 00 a 99. Sin embargo, nada impide que el circuito se amplíe a recuento hasta valores mayores. Como se trata de circuito TTL, la alimentación debe ser hecha con 5 V estabilizados.
Dejamos en abierto el tipo de excitación, pero damos un reloj lento bastante simple para los lectores que quieran, usar el circuito en demostraciones.
CARACTERÍSTICAS
Lógica: TTL
Alimentación: 5 V
Recuento: 00 a 99
Frecuencia máxima de funcionamiento: 18 MHz (estándar)
Tipo de display: Anodo común
El recuento de pulsos se realiza sobre la base de dos circuitos integrados 7490. Estos integrados consisten en contadores de década divisores por 10.
Cada 7490 contiene un divisor por 5 y un divisor por 2, que se pueden utilizar por separado o en conjunto para la división o recuento hasta 10. Este integrado cuenta sólo progresivamente, y tiene salidas en binario con pesos 1, 2, 4 y 8, como muestra la pinza del componente en la figura 1
En la operación normal las señales de recuento entran vía Clock 1 debiendo la salida Q1 ser ligadas al Clock 2, para tener el conteo hasta 10. Las entradas 9-SET y O-SET se deben conectar a la cuenta normal.
El contador avanza una unidad a cada transición (borde) negativa de la señal de entrada, que debe ser libre de ruidos que puedan causar interpretaciones erráticas. Para reiniciar el conteo, la entrada 0-SET debe ser momentáneamente llevada al nivel alto (positivo o 5 V).
Para llevar el circuito a presentar 9 en la salida, el pasador 9-SET debe ser llevado al nivel alto. Los signos de estos contadores, que son cascateables, son llevados a decodificadores del tipo 7447, que tienen salidas de 7 segmentos. Los pinos de estos circuitos integrados se muestra en la figura 2.
Este integrado tiene un pino denominado lamp-test, que permite probar tanto su funcionamiento como el del display. Este pino permanece normalmente en el nivel alto. Si se activa momentáneamente, activa todas las salidas, llevándolas al nivel bajo y consecuentemente accionando todos los segmentos del display.
La entrada blanking sirve para extinguir el dígito cero, que es innecesario cuando está a la izquierda. Así, si esta entrada está en el nivel bajo, en lugar de tener la indicación del valor 0098, por ejemplo, tendremos sólo 98.
Esta entrada se debe utilizar junto con el siguiente integrado del contador. Cada integrado 7447 requiere una corriente de 43 mA para funcionar.
El 7447 excita directamente una pantalla de ánodo común de 7 segmentos, exigiendo sólo resistores típicamente de 330 ohmios para limitación de corriente. Las salidas para los displays de estos integrados pueden operar con tensiones de hasta 30 V y drenar corrientes de 40 mA, lo que permite su operación con displays del tipo incandescente.
Prácticamente, las pantallas de cualquier tamaño y tipo se pueden utilizar, siempre que exijan cadenas dentro de lo que puede proporcionar el integrado. En la figura 3 tenemos una sugerencia de fuente de 5 V que proporciona hasta 1 A y que sirve para alimentar hasta 2 módulos, con un total de 4 dígitos.
El integrado reguladores de tensión debe estar dotado de radiador de calor y el transformador tiene un secundario de 1 A. En la figura 4 tenemos el diagrama completo de un módulo.
La disposición de los componentes en una placa de circuito impreso se muestra en la figura 5.
Es interesante utilizar zócalos DIL para los circuitos integrados. Los resistores son de 1/8 o 1/4 W, con un 5% o más de tolerancia. Los displays son de ánodo común, como el FND507 o equivalentes de cualquier tamaño.
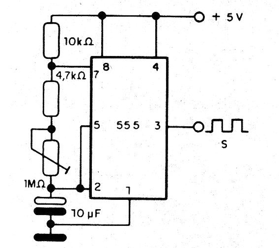
Si el tamaño es diferente del original, se deben realizar cambios en el diseño de la tarjeta de circuito impreso. En la figura 6 tenemos un circuito de reloj lento con el integrado 555, que sirve tanto para la demostración del funcionamiento del módulo como para la prueba de funcionamiento.

El clock se alimenta también con 5 V y en el potenciómetro modificamos su frecuencia. Para probar el módulo, basta con alimentar el circuito y conectar en su entrada un generador de reloj como, por ejemplo, el de la figura 6, montado en una matriz de contactos.
La alimentación del reloj debe realizarse a partir de la misma fuente del módulo. Para usar, basta observar las características dadas en la parte funcional. Si el lector desea utilizar otras funciones, como el 0-SET o el 9-SET, será interesante dejar en la placa jumpers para su conexión.
LISTA DE MATERIAL
Semiconductores:
CI1, CI2 - 7490 - Circuito integrado TTL - contador
Cl3, CI4 - 7447 - circuito integrado de decodificador
Dis1 Dis2 - displays de anodo común de 7 segmentos
Resistores (1/8 W, 5%):
R1 a R14 - 330 ohms
Varios:
Placa de circuito impreso, sockets para los integrados, material para la fuente de alimentación, hilos, soldadura, caja para montaje (opcional), etc.








