Este circuito genera alta tensión para aplicaciones en experimentos de física, alimentación de circuitos que operen con tensiones elevadas, como los que usan lámparas neon y otros. El circuito es sencillo de montar y tiene una baja corriente de salida.
Lo que tenemos en este proyecto es un inversor experimental de alta tensión que a partir de pilas o batería genera tensiones elevadas en el rango de 100 a 600 V, dependiendo del transformador utilizado. Como se trata de circuito pequeño, la potencia es baja, de modo que las corrientes obtenidas en la salida están en el rango de 500 uA a 2 A típicamente.
De esta forma su utilización está limitada a circuitos de polarización y aplicaciones experimentales de baja corriente como las que hacen uso de lámparas neón, medidores Geiger y otros. El circuito debe ser alimentado por pilas medias o grandes, dado su consumo, o aún batería.
Como funciona
La tensión generada por el circuito no es senoidal, pero tiene un pico alto con forma de onda mostrada en la figura 1.
En nuestro circuito esta tensión es rectificada y filtrada para uso externo. El circuito consiste en un oscilador Hartley en el que el ajuste de la frecuencia en P1 permite encontrar el punto de mayor rendimiento. Este punto depende del transformador usado que admita una amplia gama de especificaciones.
Dependiendo del transformador, los capacitores C2 y C3 también pueden ser alterados en el sentido de encontrar el punto de mayor rendimiento.
Montaje
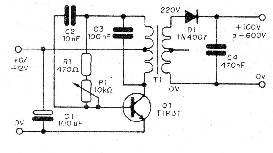
En la figura 2 tenemos el diagrama completo del generador.
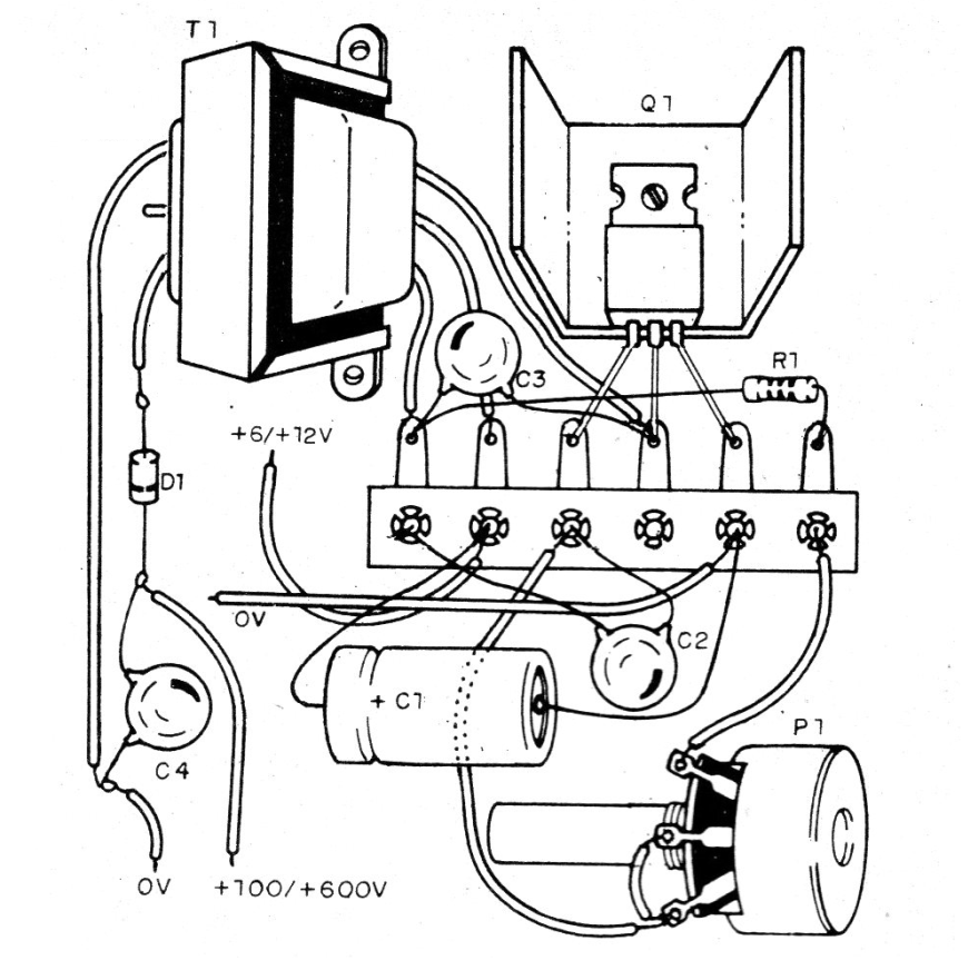
Como se trata de montaje simple, podemos utilizar un puente de terminales con la disposición mostrada en la figura 3.
El transformador puede ser cualquiera que tenga un primario de 220 V o dos tensiones y secundario de 6 a 12 V con corriente en el rango de 100 a 500 mA. El transistor debe estar dotado de disipador de calor y el electrolítico es para 12 V o más de tensión de trabajo. El diodo es el 1N4007 o equivalente.
Prueba y uso
Para probar el aparato se puede usar una lámpara de neón común en serie con un resistor de 100k y ajustar P1 para el máximo brillo. No utilice un multímetro para medir la tensión de salida, pues como la corriente es muy baja la resistencia del multímetro carga el circuito, dando una falsa indicación del valor de la tensión. El instrumento indicará una tensión mucho más baja que la realmente obtenida.
Material
Q1 - TIP31 - transistores de potencia NPN
D1 - 1N4007 - diodo de silicio
T1 - Transformador - ver texto
P1 - 10k ohms - trimpot
R1 - 470 ohms x 1/8 W - resistor - amarillo, violeta, marrón
C1 - 100 uF - electrolítico
C2 - 10 nF - cerámico o poliéster
C3 - 100 nF - cerámico o poliéster
C4 - 470 nF - poliéster para 450 V o más
Varios:
Puente de terminales, disipador para el transistor, hilos, soldadura, etc.






