Los osciladores de altas y bajas frecuencias, con formas de onda senoidales o rectangulares, se utilizan en una infinidad de proyectos electrónicos. Sin embargo, en el momento de conseguir una buena configuración los lectores pueden tener dificultades, pues existen tantas posibilidades que la indecisión es normal. Otro motivo que conduce a la dificultad en obtener una configuración específica es la necesidad de ciertas características. En este artículo damos una buena selección de circuitos osciladores que pueden ayudar bastante a los lectores que necesitan uno para un proyecto.
Los osciladores son circuitos que generan señales. Básicamente un oscilador es un amplificador con un circuito de realimentación positiva cuyas características determinan su frecuencia de operación. Los circuitos que damos a continuación pueden utilizar componentes básicos de todo tipo desde transistores comunes hasta circuitos integrados.
Las frecuencias máximas y las intensidades de las señales de salida dependerá de las características de estos componentes.
1. OSCILADOR MODULADO
El oscilador rectangular presentado en la figura 1 hace uso de una de las cuatro puertas NAND de un circuito integrado 4093 y se caracteriza por poder ser modulado en frecuencia.

Una señal aplicada a la conducción del transistor de efecto de campo BF245 (FET) altera la resistencia del circuito de carga y descarga del capacitor que determina la frecuencia de la señal producida. El circuito puede generar señales que van desde algunos hertz hasta cerca de 4 MHz con alimentación de 10 volts. La señal moduladora puede variar de -1 a +6 V de amplitud. El resistor de 10 k ohms se puede cambiar en función de la profundidad y de la gama de modulación deseada.
La alimentación para el circuito se puede hacer con tensiones de 3 a 15 volts y la señal generada tiene forma de onda rectangular.
2. OSCILADOR TTL
El circuito mostrado en la figura 2 tiene básicamente la misma configuración del anterior con la diferencia de que hace uso de un variador TTL que permite alcanzar algunas decenas de megahertz utilizando dispositivos de la subfamilia LS.
La fórmula que relaciona los valores de los diversos componentes del circuito con la frecuencia se da junto al diagrama. Las tensiones T + y T son las de los puntos de disparo en la subida y bajada de la tensión, ya que se trata de un dispositivo disparador.
El circuito integrado utilizado puede ser el 7414 y la alimentación debe realizarse con 5 volts.
3. GENERADOR TRIANGULAR
Se presenta en la figura 3 un circuito oscilador que genera una señal de aproximadamente 1 MHz con forma de onda triangular.
Los circuitos integrados deben ser alimentados por una fuente simétrica y los trimpots sirven para ajustar la frecuencia y la amplitud de las señales generadas. El capacitor se puede cambiar para obtener un rango de frecuencias diferente al indicado que tiene su límite alrededor de 1 MHz.
Los circuitos integrados usados son amplificadores operativos. Se pueden utilizar equivalentes observando sólo los límites de frecuencia de los tipos elegidos.
4. GENERADOR DENTE DE SIERRA
El circuito mostrado en la figura 4 hace uso de un transistor programable unijuntura del tipo BRY39 y genera señales diente de sierra cuya frecuencia depende del valor del capacitor usado y que puede llegar a algunos cientos de kilohertz.
El ajuste de la frecuencia de la señal generada se realiza en el trimpot que actúa sobre la base de Q1 que a su vez actúa como una fuente de corriente constante para garantizar una carga lineal del capacitor. La tensión de alimentación puede oscilar entre 9 y 12 volts.
5. RELAJACIÓN CON TRANSISTOR
Los pulsos de corta duración se pueden obtener con el oscilador de relajación que hace uso de transistores comunes y se muestra en la figura 5.

El circuito consta básicamente de una llave regenerativa con transistores complementarios y su frecuencia de operación depende tanto del resistor de 4,7 M ohms (que puede ser alterado) como del valor del capacitor C. La frecuencia máxima que este circuito puede generar es orden de 100 kHz. La tensión de alimentación debe quedar en la banda indicada para un mejor funcionamiento del circuito. En muchas aplicaciones este circuito sustituye a los osciladores con relajación que hacen uso de transistores unijuntura.
6. ASTABLE CON EL 4047
El circuito que mostramos en la figura 6 genera señales rectangulares de hasta 1 MHz con tres tipos de salida, como se indica en el propio diagrama.
En los pinos 10 y 11 tenemos signos complementarios con la mitad de la frecuencia de la señal orifinal que se obtiene en el pin 13. La frecuencia es dada por los valores de Rx y Cx según fórmula que está en el propio diagrama. La alimentación del circuito se puede realizar con tensiones de 3 a 15 volts.
7. OSCILADOR CONTROLADO
Podemos utilizar cualquier tipo de transductor resistivo con resistencia central en el rango de 10 k ohms a 1 M ohms en el oscilador mostrado en la figura 7 cuya frecuencia máxima de salida está alrededor de 100 kHz.
La salida es rectangular con un ciclo activo que depende de la relación entre la resistencia presentada por el transductor y el resistor de 10 k ohms entre los pines 7 y 6/2. Los sensores pueden ser NTC, PTC, LDR o otros. El circuito se puede utilizar como un convertidor analógico / digital (resistencia / frecuencia) para la detección remota.
8. OSCILADOR CONTROLADO
Un otro oscilador que puede tener su frecuencia controlada por un sensor resistivo se muestra en la figura 8.

La base es una de las puertas de un circuito integrado CMOS 4093 y la frecuencia depende tanto del valor del capacitor usado como de la resistencia del sensor usado. Esta resistencia debe quedar en el rango de 10 k ohms a 1 M ohms para una mejor estabilidad de funcionamiento. La frecuencia máxima de funcionamiento del circuito está alrededor de 4 MHz para una tensión de alimentación de 10 volts.
Una característica importante de este circuito es que la señal producida tiene un ciclo activo del 50%.
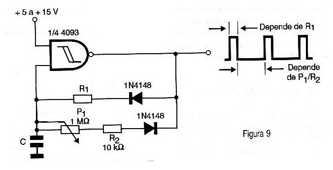
9. GENERADOR DE PULSOS ALEATORIOS
La anchura de los pulsos producidos por el oscilador de la figura 9 se determina por el valor de R1 que puede quedar entre 1k ohms y 100 k ohms.
La separación de las muñecas se ajusta en el trimpot de 1 M ohmios. La frecuencia final del circuito así como los parámetros anteriores también dependen del capacitor C. La frecuencia máxima de funcionamiento de este circuito es del orden de 4 MHz para una alimentación de 10 volts. El circuito puede funcionar con tensiones de alimentación de 3 a 15 volts.
10. OSCILADOR RETANGULAR
La base de este circuito es uno de los cuatro amplificadores Norton existentes en un circuito integrado LM3900. Las señales generadas son rectangulares a una frecuencia de 1 kHz para los valores de los componentes indicados en el diagrama de la figura 10.
El capacitor puede tener su valor cambiado para obtener otra frecuencia para la señal, pero el límite superior no va más allá de algunos cientos de kilociclos. La fuente de alimentación debe ser simétrica con tensiones de 6 a 12 volts.
11. OSCILADOR PIERCE
Este oscilador tiene su frecuencia controlada por cristal y su frecuencia puede quedar entre 100 kHz y algunos megahertz. Como podemos ver por la figura 11, el circuito hace uso de un transistor de efecto de campo de unión.

El choque de RF es de 1 mH y el transistor de efecto de campo admite equivalentes. La alimentación se puede realizar con tensiones entre 9 y 16 volts.
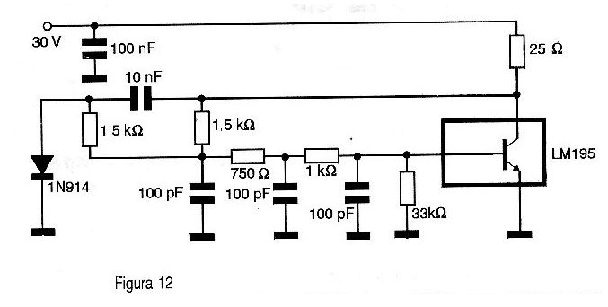
12. OSCILADOR DE 1 MHz DE POTENCIA
Este circuito es sugerido por el National semiconductor y se basa en un transistor de potencia incrementado que es el LM195. El circuito se muestra en la figura 12.
Este transistor posee una corriente máxima de salida de 1 A y en realidad consiste en un Darlington con diversos circuitos de apoyo y que puede excitarse con una corriente de base de sólo 3 uA. El transistor en cuestión tiene un tiempo de conmutación de 500 ns y una tensión de 2,0 V de saturación. Su base puede ser excitada por tensiones de hasta 40 volts sin problemas. En esta aplicación tenemos un oscilador RC.
La envoltura del transistor es TO-3 pero existe un equivalente en envoltorio TO-220 que es el LM395T. En ambos casos, el transistor debe montarse en un radiador de calor.
13. OSCILADOR DE DOS FRECUENCIAS
El LM567 es un PLL decodificador de tono que también puede ser utilizado como oscilador doble, como muestra el circuito de la figura 13.
La alimentación de este circuito debe quedar entre 5 y 10 volts y la frecuencia máxima de las señales generadas es de 100 kHz. Los valores de los componentes en función de la frecuencia se calculan mediante la fórmula que está junto al diagrama. Para la salida RL podemos tener cargas de hasta 100 mA.
14. OSCILADOR DE 3-10 MHz
La bobina del oscilador mostrado en la figura 14 puede tener de 14 a 40 espiras con toma en la mitad del devanado. Esta bobina se enrolla con hilo 28 en núcleo de ferrita de aproximadamente 1 cm de diámetro.

El capacitor variable puede tener valores en el rango de 80 a 220 pF y la señal puede ser retirada del colector del transistor o de una segunda bobina enrollada junto con L1.












