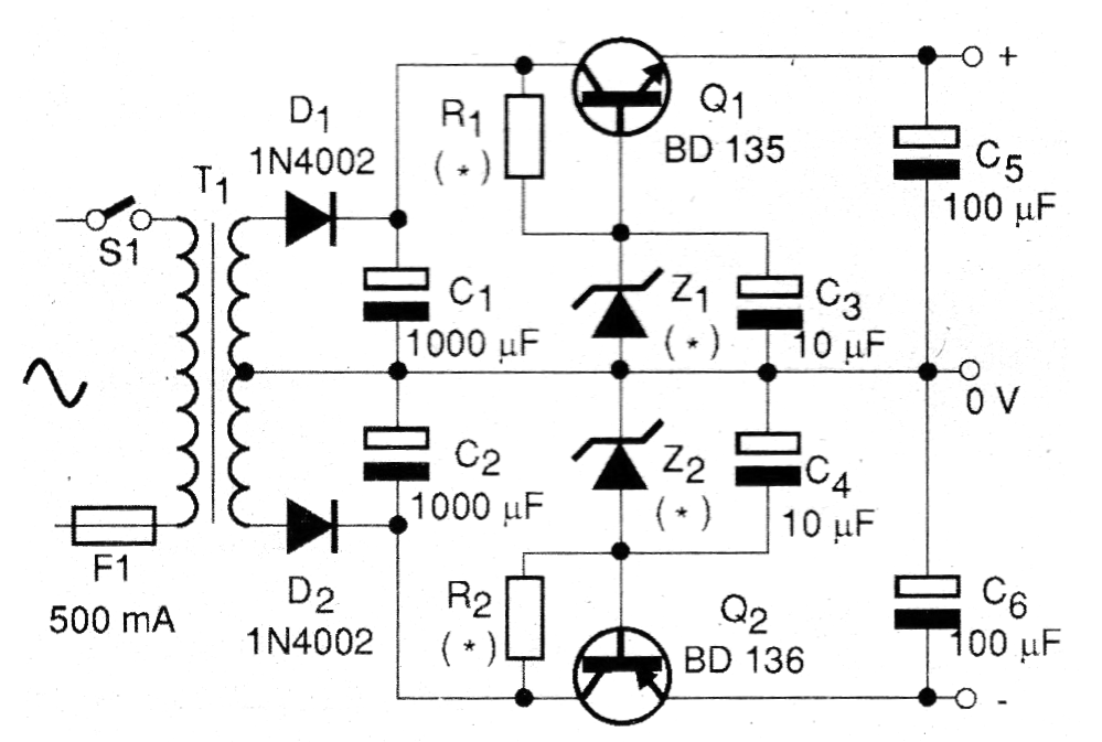
Utilizando reguladores transistorizados con transistores NPN y PNP podemos elaborar una fuente simétrica de mejor desempeño, para corrientes de salida hasta 500 mA.
La fuente mostrada en la figura 1 tiene una tensión de salida que es determinada por los diodos zener.
Los resistores R1 y R2 tienen sus valores dependientes de la tensión del diodo zener según la siguiente tabla:

La corriente recomendada de secundario para el transformador es de 500 mA pero si se utilizan transformadores más pequeños, la fuente también funcionará pero proporcionará una corriente máxima menor.
En la figura 2 tenemos una sugerencia de placa de circuito impreso para esa fuente.
Los transistores deben estar dotados de radiadores de calor y su posición debe ser observada con cuidado. El circuito se puede montar en una pequeña caja plástica, con bornes de colores diferentes para la salida.
Un LED indicador en paralelo con las salidas puede ser agregado para indicar el funcionamiento. El resistor en serie con este LED será de 470 ohms para la fuente de 6 V, 560 ohms para la fuente de 9 V y 1 k ohms para la fuente de 12 V.
Lista de material
Q1 - BD135 - transistores NPN de media potencia
Q2 - BD136 - transistores PNP de media potencia
Z1, Z2 - Diodos zener de 400 mW - según tensión de salida - ver tabla
D1, D2 - 1N4002 - diodos rectificadores de silicio
R1, R2 - ver tabla - conforme tensión y transformador
C1, C2 - 1 000 uF - capacitores electrolíticos - ver texto
C3, C4 - 10 uF - capacitores electrolíticos
C5, C6 - 100 uF - capacitores electrolíticos
T1 - Transformador con primario de acuerdo con la red de energía y secundario según tabla
F1 - 500 mA - fusible
S1 - Interruptor simple
Varios:
Placa de circuito impreso o puente de terminales, radiadores de calor para los transistores, soporte para el fusible, cable de fuerza, caja para montaje, hilos, soldadura, etc.





