Este simple aparato puede localizar en las fuentes infrarrojas de emisión oscura sirviendo para propósitos experimentales interesantes. El circuito no utiliza filtro, pero se puede añadir para aplicaciones más críticas y precisas.
Describimos el montaje de un aparato que puede detectar fuentes de emisión de infrarrojos. Con él podemos localizar "puntos calientes" de aparatos electrónicos, fuentes de emisión externas, detección de principios de fuego, Astronomía y montar un sistema de comunicaciones experimentales.
El circuito se basa en el hecho de que cualquier cuerpo que esté por encima de la temperatura absoluta cero (-273ºC) emite radiación infrarroja. La intensidad de la radiación será mayor cuanto más alta sea la temperatura, como se muestra en la figura 1.
Así, podemos detectar más cuerpos calentados si tenemos un sensor sensible capaz de percibir esta forma de radiación.
Cómo Funciona
En la figura 2 tenemos un diagrama de bloques de nuestro localizador infrarrojo.
Nos alejamos del hecho de que la fototransistores y fotodiodos comunes tienen una buena sensibilidad a la radiación infrarroja y, por esta razón, se utilizan en alarmas con LEDs emitidos por esta radiación. En nuestro caso, como el fototransistor o incluso un Led son sensibles a otras radiaciones, desde el espectro visible, si podemos utilizar un filtro para separar el infrarrojo, como se muestra en la figura 3, será mejor.
Para recolectar la radiación de una sola dirección, podemos usar recursos ópticos, como se muestra en la figura 4.
Incluso un pequeño reflector de la linterna se puede utilizar para este propósito. Otra forma de obtener una buena directividad para el localizador es mediante el uso de una lente que concentra la radiación en el sensor, como se muestra en la figura 5.
Esta característica también aumenta la sensibilidad a un grado que depende del diámetro de la lente. Finalmente, en una aplicación de Astronomía, podemos instalar el sensor en el ocular de un telescopio o bisel, como se muestra en la figura 6.
Evidentemente, es parte del hecho de que el telescopio también debe tener sensibilidad a la radiación infrarroja, que está más garantizado en tipos reflectantes. La señal capturada por el fotodiodo en nuestro caso es amplificada por 3 transistores en la configuración de Darlington, que proporciona una ganancia muy alta al circuito.
Una configuración de sensibilidad se logra a través del potenciómetro P1.
La señal amplificada sirve para controlar un oscilador de audio cuya frecuencia se determina básicamente por C1. Así, cuando señalamos el aparato en una fuente emisora, la corriente obtenida del amplificador desencadena el oscilador que emite un sonido.
El sonido será más agudo cuanto más intensa se detecte la fuente de radiación. Con la llave S1 abierto, el circuito funciona como un amplificador y es posible escuchar una fuente infrarroja modulada.
Montaje
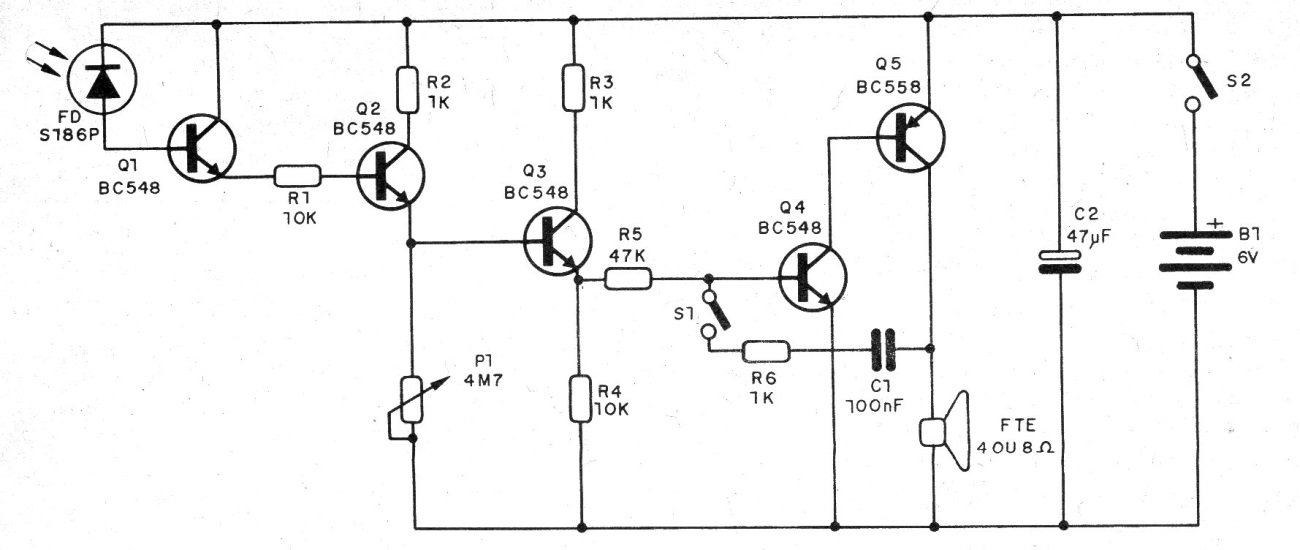
En la figura 7 tenemos el diagrama completo del localizador.
Para un montaje experimental en una matriz de contacto, se puede utilizar la disposición mostrada en la figura 8.
Otra posibilidad se muestra en la figura 9, consistente en el montaje mediante un puente terminal.
En el montaje, observe atentamente la polaridad del fotodiodo y de todos los transistores, prestando atención al hecho de que Q5 es diferente de los demás.
Una interesante posibilidad de un sensor es el uso de una célula fotoeléctrica de una calculadora o un transistor 2N3055 de la que hemos quitado la cubierta para exponer la juntura, como se muestra en la figura 10.
En la figura 11 tenemos una caja de sugerencias para el montaje.
Prueba y Uso
Para probar el aparato es conveniente tener una fuente de radiación infrarroja conocida. Esto se puede lograr con un LED infrarrojo en el montaje mostrado en la figura 12.
El emisor de LED se puede obtener de un control remoto roto o fuera de uso. Observe la polaridad del LED para que el circuito funcione correctamente. Apunte esta fuente de emisor al sensor localizador y vea si funciona. S1 debe cerrarse en esta función, porque vamos a detectar la radiación sin modulación.
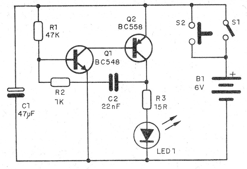
Para tener una fuente infrarroja modulada para probar la función con el amplificador (S1 abierto) podemos utilizar el circuito de la figura 13.
El montaje de esta fuente en un puente de terminales se muestra en la figura 14.
Probado el funcionamiento del aparato sólo se utiliza tratando de localizar fuentes comunes como apuntar a la soldadora, una plancha, un horno de servidumbre, etc.
Lista de Material
FD – Cualquier fotodiodo incluso fototransistor
Q1, Q2, Q3, Q4 – BC548 – transistores NPN de uso general
Q5 – BC558 – transistor PNP de uso general
S1, S2 – Interruptores simples
FTE - 4 u 8 ohms – Altavoz pequeño
B1 – 6 V – 4 pilas pequeñas
P1 – 4,7 M ohms – potenciómetro
R1 – 10 k ohms x 1/8 W - resistor – marrón, negro, naranja
R2, R3, R6 - 1 k ohms x 1/8 W – resistores – marrón, negro, rojo
R4 – 10 k ohms x 1/8 W – resistor – marrón, negro, naranja
R5 – 47 k ohms – resistor x 1/8 W – resistor – amarillo, violeta, naranja
C1 – 100 nF – poliéster o cerámica
C2 – 47 uF x 6 V o más – electrolítico
Varios:
Matriz de contacto o puente de terminales, soporte de pilas, caja de montaje, alambres, soldadura, etc.

















