Estamos en la era de los circuitos integrados que reúnen en una pequeña pastilla de silicio millones de transistores. Sin embargo, muchos adeptos de la electrónica están redescubriendo el componente que dio origen a todo eso y que se juzgaba "enterrado" desde hace muchos años: la válvula. Los equipos de válvula, principalmente de sonido, se están fabricando y venden a un alto costo, los coleccionistas están pagando fortunas por amplificadores y otros equipos valvulados de los años 30 a los 50, o incluso reajustados y muchos lectores buscan ávidamente válvulas de repuesto para equipos antiguos. Lo que está sucediendo es lo que veremos en este artículo.
La vieja válvula termiónica o simplemente válvula está siendo redescubierta por muchos adeptos de la electrónica. Este componente, voluminoso, consumidor de mucha energía, frágil e incluso caro, tiene, sin embargo, atractivos que ahora están siendo observados con mucho más respeto por muchos especialistas en electrónica.
Si usted tiene un viejo radio valvulado, reliquia de mucho tiempo, y que está siendo pateado en un rincón húmedo del taller e incluso con la caja quebrada, es hora de mirarlo con más respeto: él puede tener mucho más valor que usted pensar! Pero, no es sólo recuperar aparatos valvulados que puede ser un buen negocio para el lector de los viejos tiempos lo que tenga habilidad para tanto. Los equipos valvulados vuelven a ser buscados en algunas partes del mundo por las características que presentan.
LOS AMPLIFICADORES VALVULADOS
En los años 50 aparecían los amplificadores ultra-lineales valvulados. Ellos consistía en lo que de más avanzado había en materia de sonido de alta fidelidad. Con un circuito de salida con válvulas en push-pull y pesados transformadores con núcleos de materiales especiales ellos suministra el sonido más puro que era posible obtener en aquella época.
En la figura 1 mostramos el aspecto de uno de estos amplificadores con destaque para los pesados transformadores drive y salida que, conforme la potencia llegaban a pesar más de 5 kg cada uno!

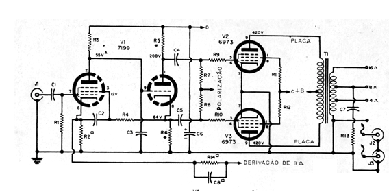
La configuración básica era la mostrada en la figura 2 en la que se utilizaban dos válvulas pentodo en contrafase de modo que cada una amplificaba la mitad del ciclo de la señal de audio.

Lo que llama la atención en estos circuitos es que las válvulas poseen una característica lineal de amplificación diferentemente de los transistores comunes que poseen un tramo no lineal en el punto en que empiezan a conducir.
El resultado de esa linealidad mayor de la válvula es la reproducción de un sonido más puro, libre prácticamente de la llamada distorsión armónica que ocurre en los circuitos transistorizados. Por más elaborados que sean los circuitos transistorizados, nunca se logró eliminar completamente el problema de la distorsión causada por esta no linealidad de los transistores, y es en vista de ello que surgieron los descontentos. De hecho, hasta hoy existen personas que "no aceptan" el sonido transistorizado afirmando que el sonido más puro es el producido por amplificadores valvulados.
Para atender a estos adeptos del sonido ultra-lineal valvulado, que ya desapareció en la mayoría de los países, quedaron algunos fabricantes hiper-sofisticados que invirtieron en mejorar la vieja válvula para aplicarla en amplificadores que, según los propios fabricantes y usuarios, son infinitamente mejores que los modernos transistorizados. En la figura 3 tenemos uno estos amplificadores lineales cuyo costo deja a cualquiera abismado!

Además de usar pesadísimos transformadores ultra-lineales que, sin duda alguna, impiden el uso portátil de este equipo, las propias velas utilizan una tecnología fantástica que nada recuerda a los viejos radios y amplificadores (vitrolas o electrolas) de los años 50 y 60.
Las válvulas para reducción el nivel de ruido y la mejora de sus características eléctricas poseen electrodos internos chapados en oro! No hay que decir que se trata de la vieja tecnología traída para nuestros tiempos. Los adeptos de este sonido valvulado dicen que su pureza nunca puede ser lograda por cualquier equipo transistorizado por más caro o sofisticado que sea.
Los circuitos en muchos casos llegan a ser híbridos con etapas de excitación, donde la influencia de la no linealidad del transistor puede ser evitada, transistorizados o incluso integrados y sólo las etapas de salida valvuladas. En la figura 5 tenemos uno de estos circuitos.
Por supuesto, el montaje de un circuito de este tipo en algunos problemas como: dónde conseguir los transformadores (debe haber alguien que sepa enrollarlos), o aún cómo hacer el chasis de metal para el montaje. Para las válvulas no hay mucho problema pues muchas de ellas todavía existen para reposición en televisores que aún las utilizan e incluso algunos proveedores.
RECUPERACIÓN DE RADIOS
Otro campo interesante de actividades que comienza a ser descubierto por técnicos y aficionados de la electrónica es la recuperación de equipos antiguos, principalmente radios. Casas de granja, de campo e incluso residencias en estilo antiguo mantiene muebles de la misma época recuperado con cuidado y no raramente adquirido a un precio elevado.
De la misma forma que el mobiliario la presencia de una radio antigua, ya sea del tipo "capilla" o más moderno es fundamental para acompañar la decoración. Las radios de los años 30, 40 o incluso 50 usando válvulas se pueden encontrar abandonadas en muchos lugares y la colocación de un equipo de estos en funcionamiento puede significar mucho dinero para quien lograr. En la figura 5 mostramos uno de estos radios.

Una radio antigua funcionando, vendida como objeto de decoración, antigüedad o incluso pintado con colores exóticos para una decoración diferente puede rendir mucho dinero al técnico caprichoso. De hecho, el precio de la radio no será el precio de la chatarra, sino el precio de la rareza, y eso puede significar mucho más que el de una radio equivalente moderna.
La sensibilidad del técnico o del aficionado a descubrir una radio de estos fuera de uso y saber a quién ofrecer es importante para tener éxito en el negocio. En los grandes centros existen casas de antigüedades que seguramente se interesar por equipos de este tipo funcionando. El interesante de estos radios es que la recuperación a veces puede ser simple, como el simple cambio de una válvula.
Los circuitos son simples, y los componentes diferentes de las válvulas, específicamente los resistores y los capacitores admiten equivalentes modernos. Por ejemplo, cualquier capacitor de aceite o papel de una radio antigua puede ser sustituido por uno de poliéster metalizado de la misma tensión de trabajo. En la figura 6 mostramos el aspecto de estos capacitores.

En la recuperación el técnico sólo debe prestar atención a la posibilidad de que haya piezas dañadas más difíciles de obtener o reparar como, por ejemplo, las placas amasadas de un capacitor variable de sintonía. Los capacitores dobles y hasta triples, como se muestra en la figura 7, se pueden encontrar en estas radios.

Las batidas fuertes o incluso las caídas pueden doblar las placas de metal que las placas del conjunto móvil pasan a colocar en las placas del conjunto fijo cuando el eje de sintonía es girado. Esto no puede ocurrir. En algunos casos un simple ajuste del tornillo del eje puede llevar el conjunto a un funcionamiento perfecto girando sin tocar, pero si las placas están torcidas el problema es más grave.
Con suerte el técnico muy habilidoso puede enderezar una u otra de esas placas, pero para el conjunto todo es más fácil intentar encontrar una variable en buen estado en otra radio antigua abandonada. Para el roje del chasis una buena lijada y luego el barnizado puede ayudar a dar una apariencia nueva y para la caja de madera, el tratamiento con barniz puede dar un aspecto de nuevo a un aparato abandonado desde hace mucho tiempo.
La calibración del circuito se realiza de la misma forma que los receptores transistorizados convencionales ya que el circuito es equivalente. La única diferencia en la mayoría de los tipos está en el hecho de que en cada paso tenemos una válvula en lugar del transistor y que el transformador de FI y bobinas son de mayor porte.
También puede ocurrir de encontrar frecuencias de FI diferentes de 455 kHz, como es común en los radios AM modernos. Los valores como 815 kHz, 560 kHz no son raros. Volveremos oportunamente a dar consejos de recuperación de aparatos valvulados en las páginas de esta revista, incluso como hacer la calibración que requiere más cuidado.
CÓMO OBTENER PIEZAS
Muchas casas de material de electrónico e incluso talleres poseen en sus existencias de piezas de repuesto componentes de radios antiguas incluyendo las válvulas.
Así, la obtención de componentes no siempre es tan difícil y hasta tiene una ventaja en relación a los equipamientos modernos. Si hoy rompe una radio de determinada marca que el lector tiene y la causa sea un circuito integrado, el lector ciertamente tendrá dificultades, pues el circuito integrado usado puede ser de un tipo específico que sólo sirve para ese modelo de radio de aquella marca.
La probabilidad de encontrar tal componente en cualquier tienda es muy pequeña. Por otro lado, si se quema en una radio antigua una válvula, por ejemplo, 6AQ5 o 6C4, la posibilidad de encontrarla, aún hoy, es grande, pues esta válvula además de ser usada en una gran cantidad de tipos y marcas de radios antiguos , también se encuentra en televisores y amplificadores de tocadiscos de los años 50, 60 y hasta algunos modelos de los años 70.
En fin, en los tiempos antiguos pocos tipos de válvulas se utilizaban para muchos tipos de equipos. Hoy tenemos tantos componentes diferentes como son los equipos.




