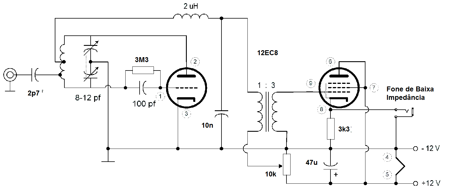
Esta simple radio de FM valvulado utiliza una válvula doble (triodo-pentodo) 12EC8 para recibir las señales y proporcionar escucha en auricular. La bobina consiste en 6 espiras de hilo 28 en una forma de 1 cm con tomas en las espiras 2 y 4. La antena debe ser del tipo telescópico y el condensador de sintonía se puede obtener en una radio FM fuera de uso. Una característica de este circuito es su operación con fuente simétrica de 12 V, no necesitando de alta tensión. La misma fuente, proporciona la tensión de filamento a las válvulas. El transformador es del tipo controlador que se encuentra en radios valvulares antiguos, pero se puede experimentar un tipo de baja tensión de radios transistorizados. Para el choque de RF enrole 20 a 25 espiras de hilo 30 a 32 en un resistor de 1 M x ½ W.




