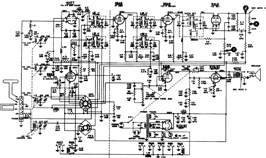
Este receptor para as duas faixas foi encontrado num manual da época. O circuito utilizava transformador na fonte e tinha FI de 10,7 MHz para a faixa de FM.
La frecuencia de este circuito depende del cristal utilizado. El transistor admite un equivalente...
Este circuito fue encontrado en una Popular Electronics desde abril de 1978. Los transistores son...
Este circuito, que se puede utilizar como shield para microcontroladores, proporciona salida con 50%...