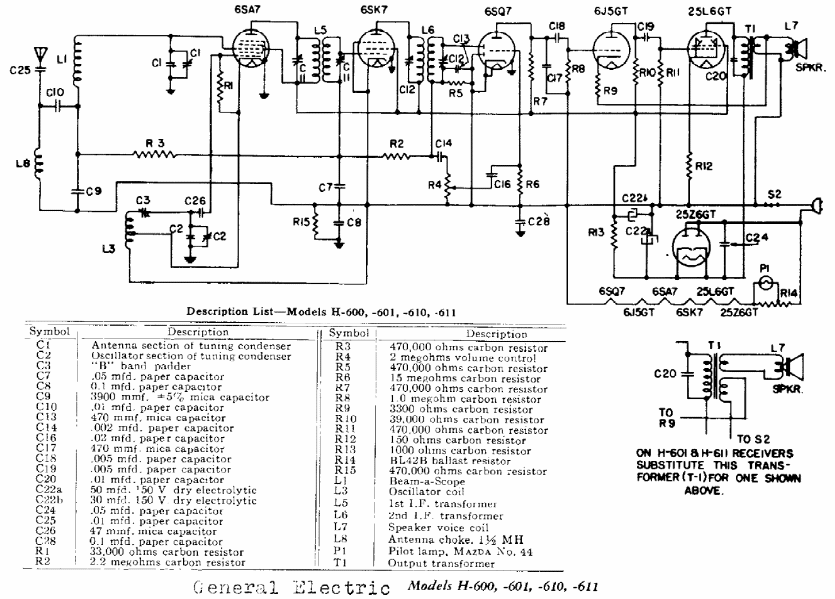
Este sensible receptor superheterodino de 6 válvulas fue encontrado en un manual de receptores de la época. Se trata de un receptor de excelente sensibilidad. El circuito no utiliza transformador de alimentación, alimentando los filamentos de las válvulas en serie.




